GM Service Manual Online
For 1990-2009 cars only
Makes
🢒
Pontiac
🢒
2003
🢒
Vibe - FWD
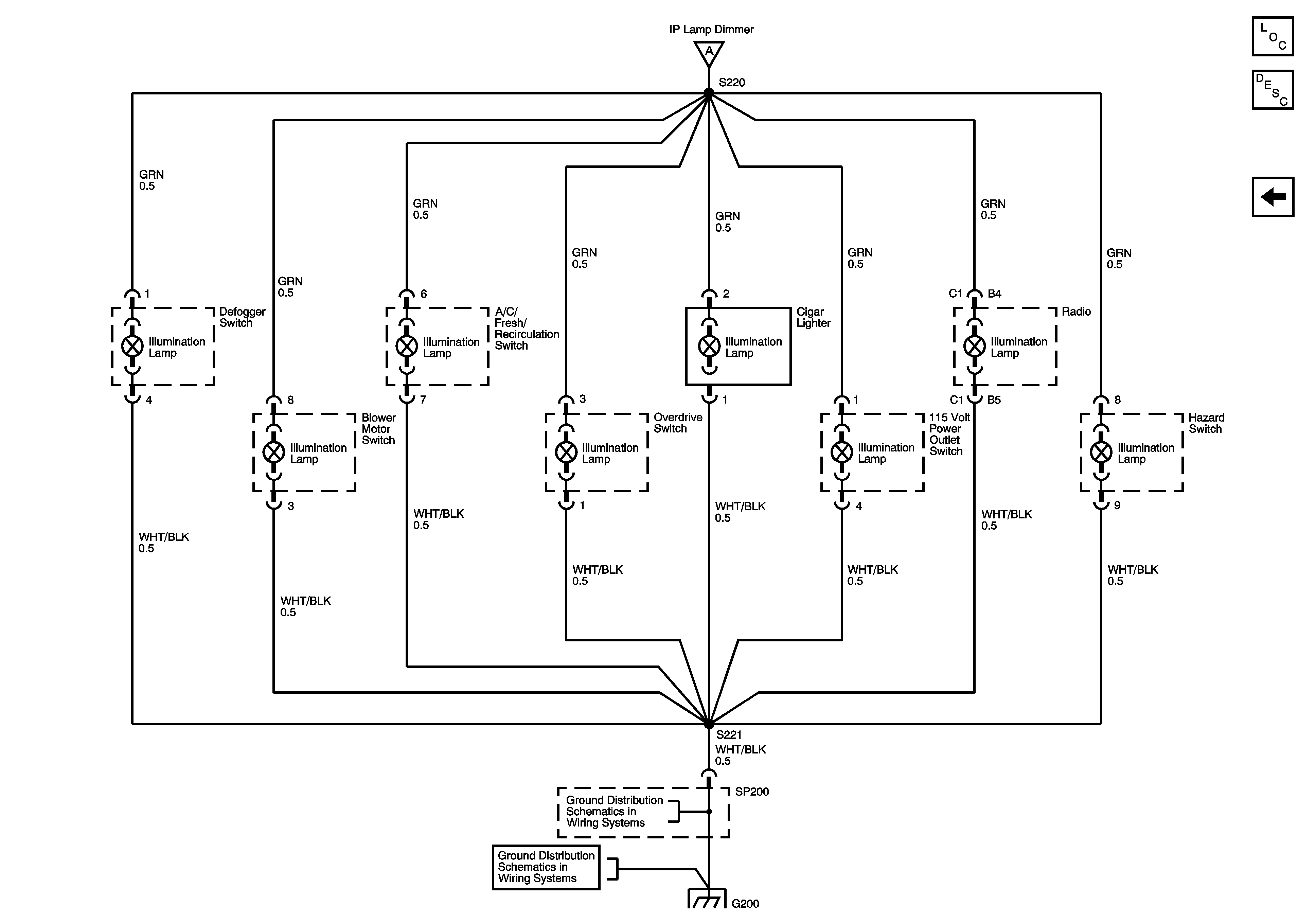
🢒 Illumination Lamps
Illumination Lamps
Illumination Lamps
Master Electrical Component List
Interior Lighting Systems Description and Operation
IP Lamp Dimmer
SP200 and G200