GM Service Manual Online
For 1990-2009 cars only
Makes
🢒
Pontiac
🢒
2003
🢒
Vibe - FWD
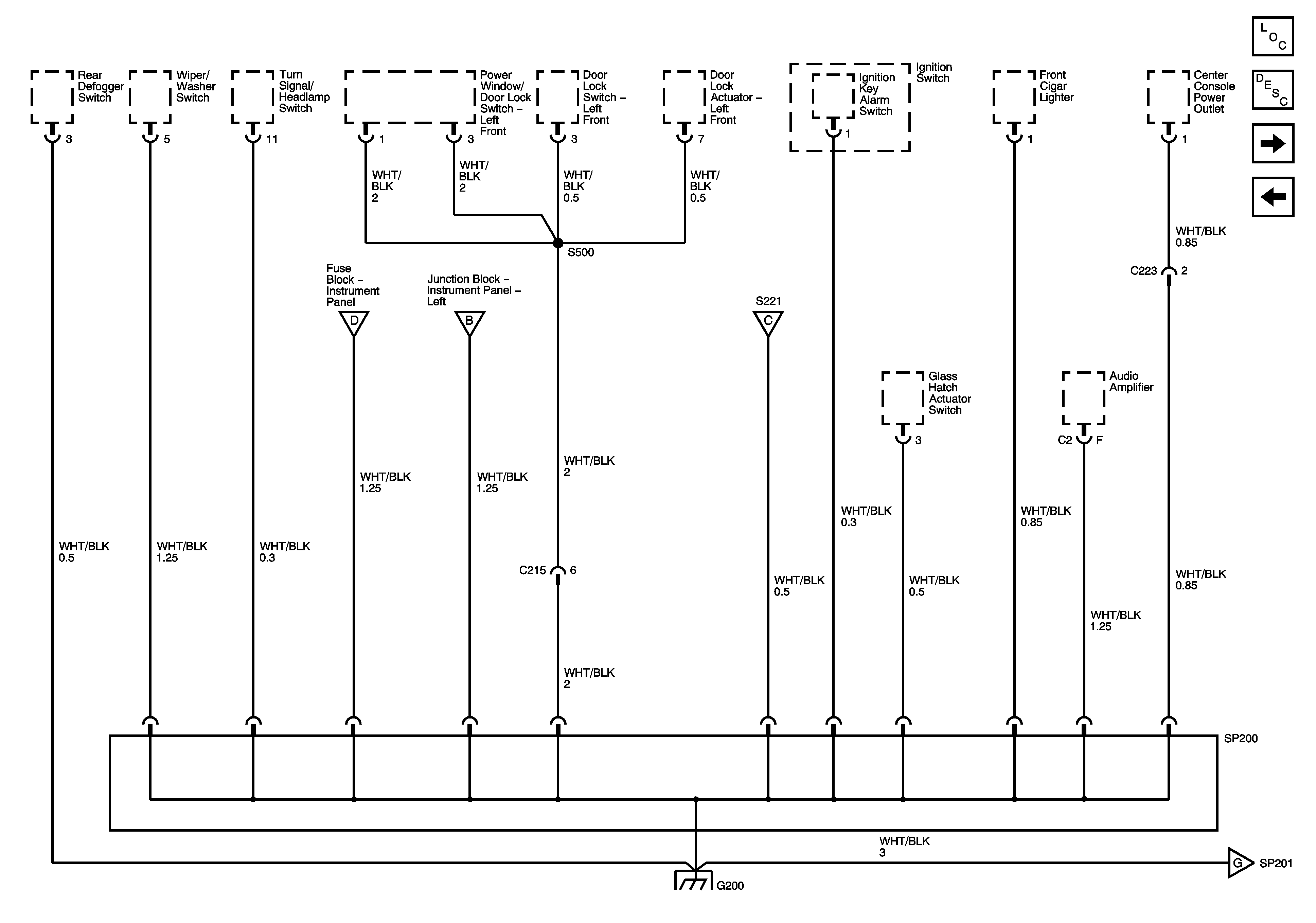
🢒 SP200 and G200
SP200 and G200
SP200 and G200
Master Electrical Component List
Left Instrument Panel Junction Block
S105, SP107, G105 and G106