GM Service Manual Online
For 1990-2009 cars only
Makes
🢒
Pontiac
🢒
2003
🢒
Vibe - FWD
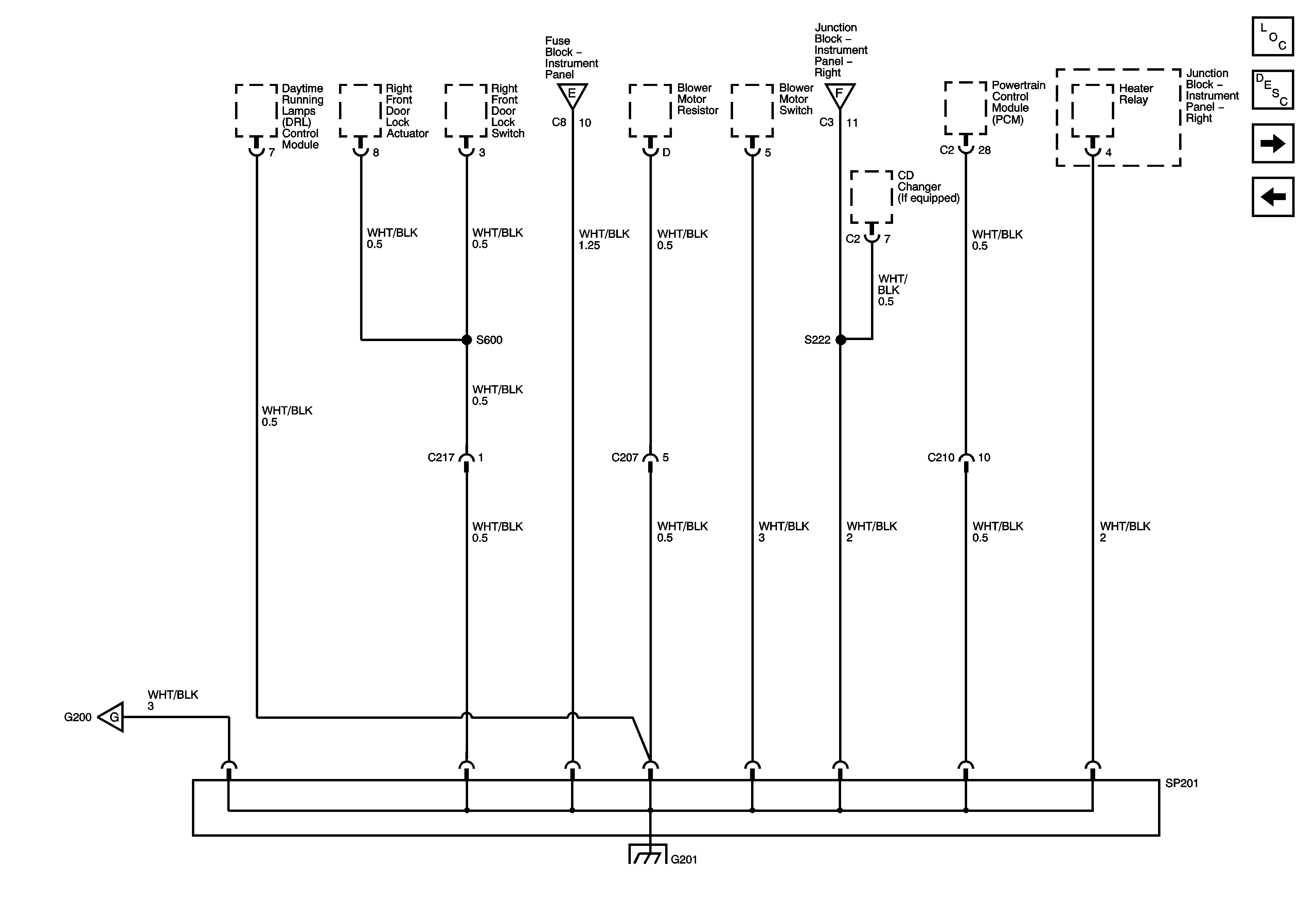
🢒 SP201 and G201
SP201 and G201
SP201 and G201
Master Electrical Component List
Right Instrument Panel Junction Block
Instrument Panel Fuse Block
SP200 and G200