GM Service Manual Online
For 1990-2009 cars only
Makes
🢒
Pontiac
🢒
2003
🢒
Vibe - FWD
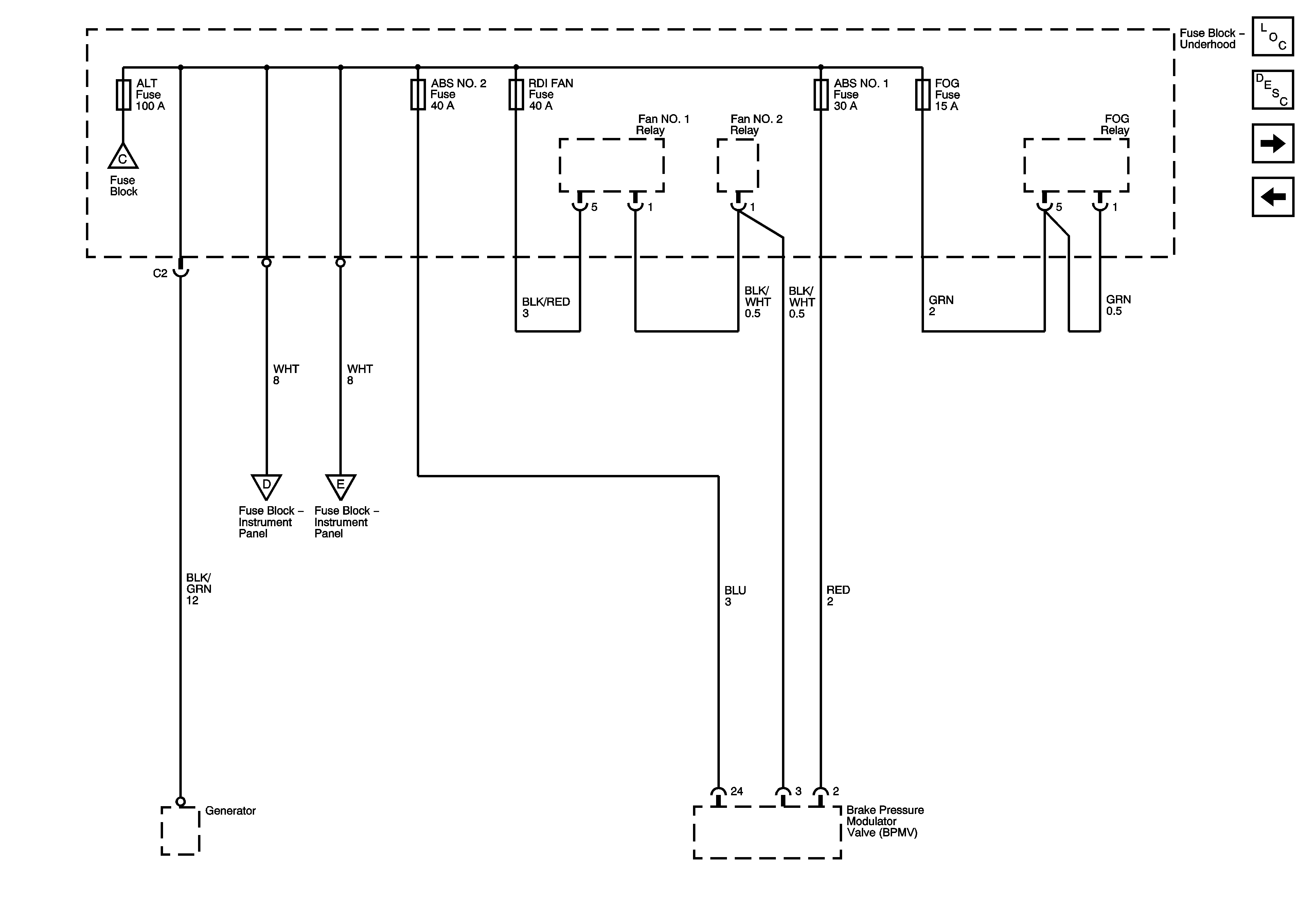
🢒 ALT, ABS-2, RDI, ABS-1 and FR FOG Fuses
ALT, ABS-2, RDI, ABS-1 and FR FOG Fuses
ALT, ABS 2, RDI, ABS 1 and FR FOG Fuses
Master Electrical Component List
POWER, AM-1, DOOR, TAIL, P/POINT, ECU-B, STOP, OBD and INV Fuses
HORN, DOME, MAIN and AMP Fuses