GM Service Manual Online
For 1990-2009 cars only
Makes
🢒
Pontiac
🢒
2003
🢒
Vibe - FWD
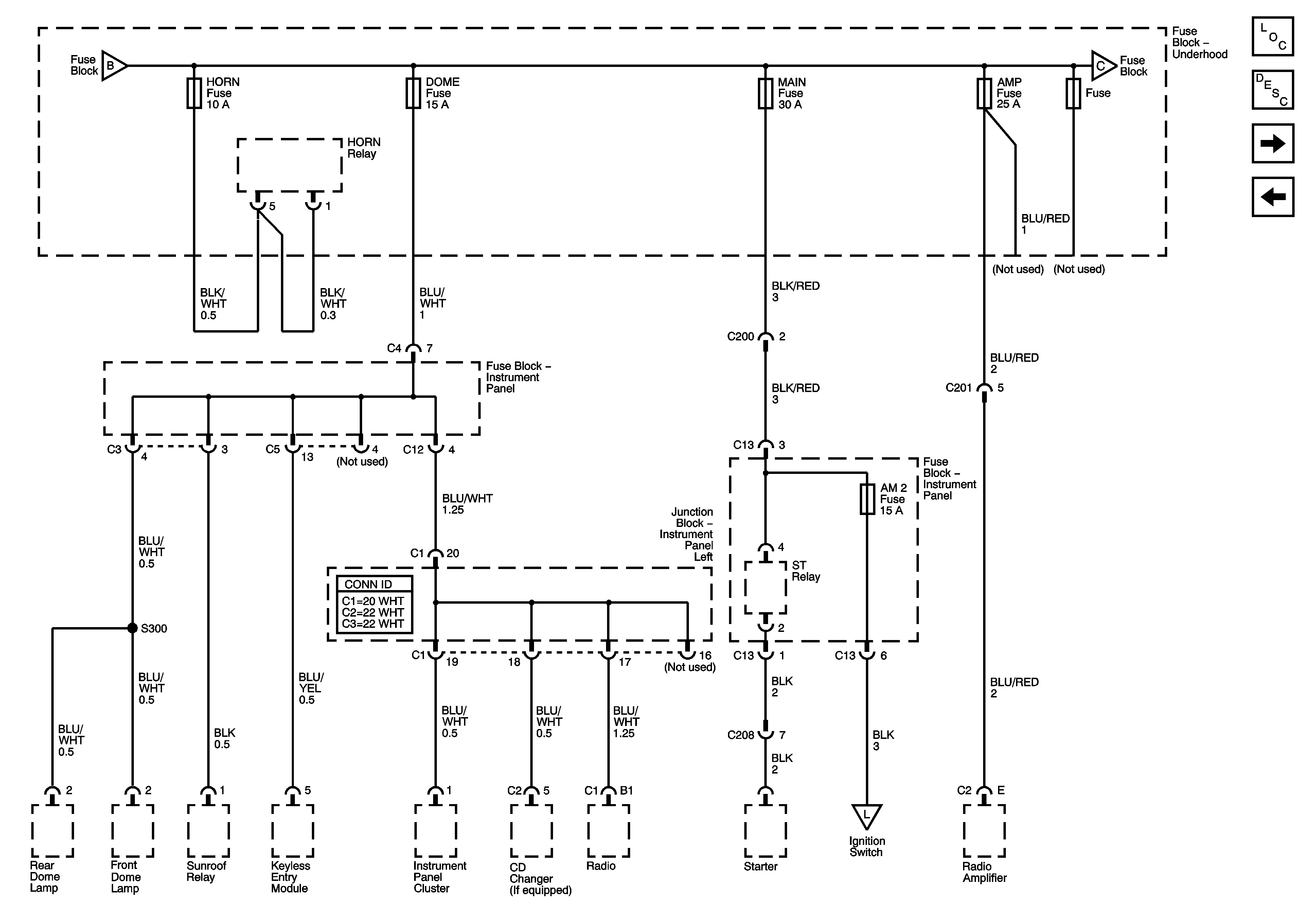
🢒 HORN, DOME, MAIN and AMP Fuses
HORN, DOME, MAIN and AMP Fuses
HORN, DOME, Main, AMP and AM2 Fuses
Master Electrical Component List
ALT, ABS-2, RDI, ABS-1 and FR FOG Fuses
S100