GM Service Manual Online
For 1990-2009 cars only
Makes
🢒
Pontiac
🢒
2003
🢒
Vibe - FWD
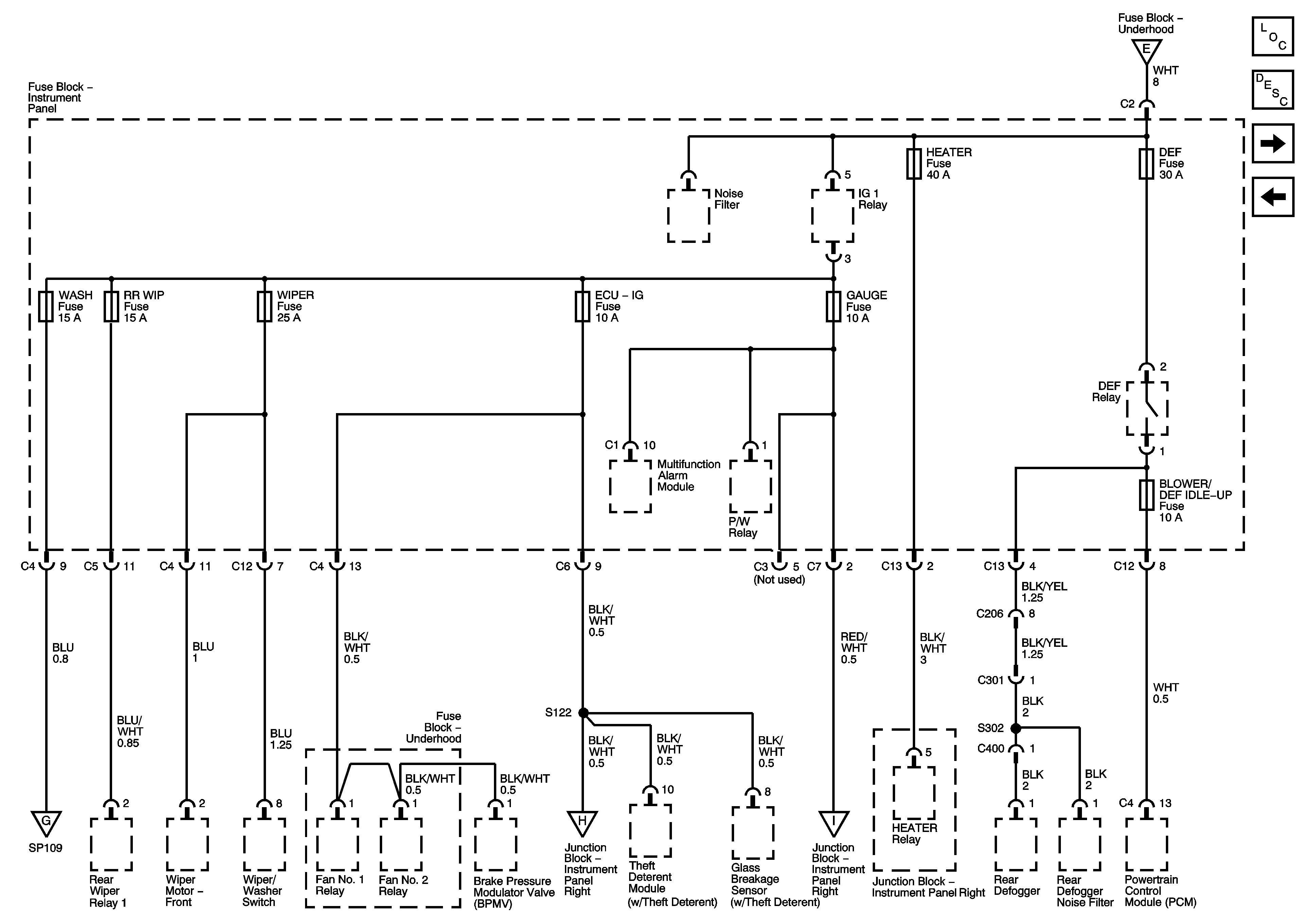
🢒 WASH, RR WIP, WIPER, ECU-IG, GAUGE, HEATER, and DEF Fuses
WASH, RR WIP, WIPER, ECU-IG, GAUGE, HEATER, and DEF Fuses
WASH, RR WIP, WIPER, ECU-IG, GAUGE, HEATER and DEF Fuses
Master Electrical Component List
P/W Relay SP109 and SP302
POWER, AM-1, DOOR, TAIL, P/POINT, ECU-B, STOP, OBD and INV Fuses