GM Service Manual Online
For 1990-2009 cars only
Makes
🢒
Pontiac
🢒
2003
🢒
Vibe - FWD
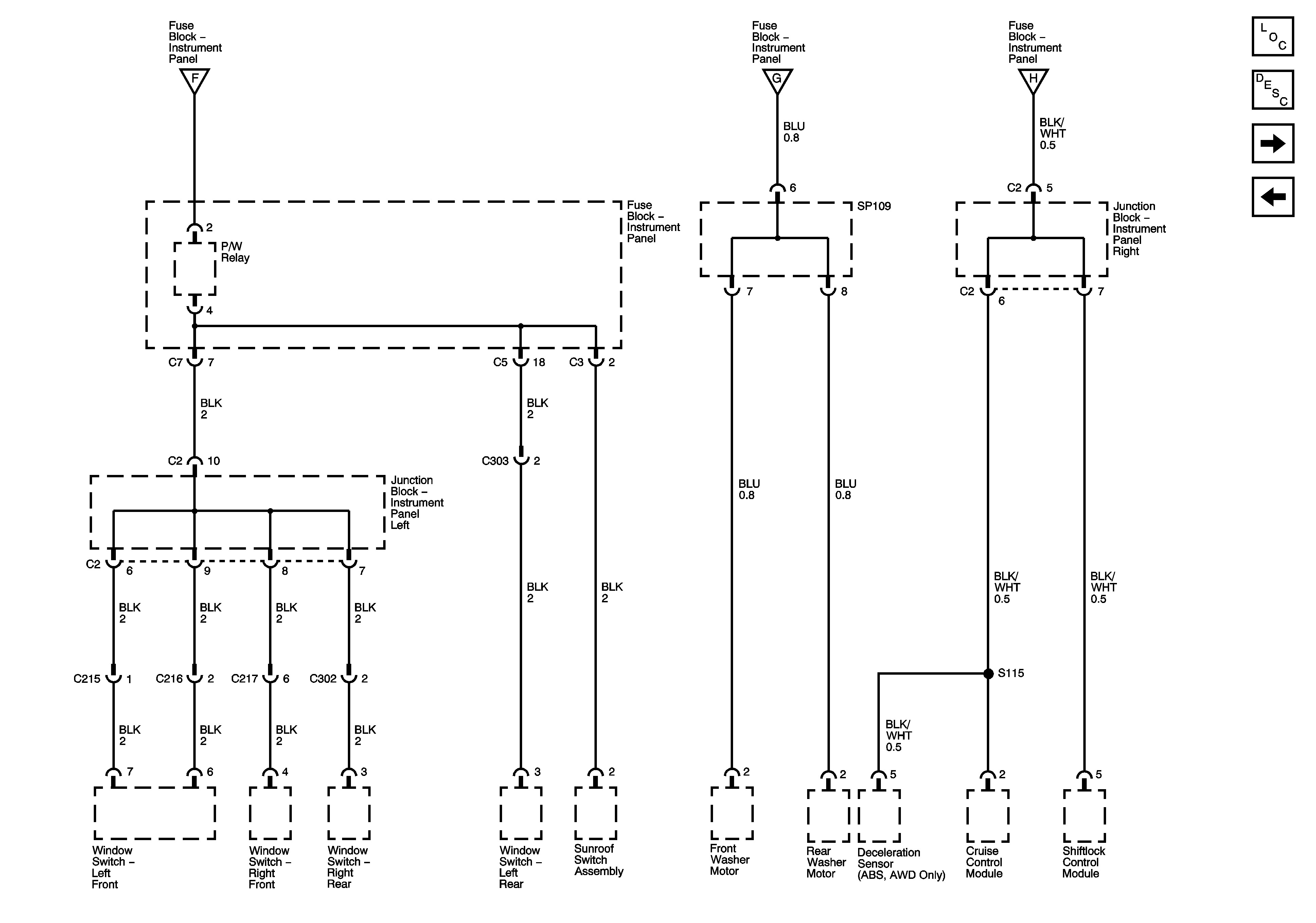
🢒 P/W Relay SP109 and SP302
P/W Relay SP109 and SP302
P/W Relay, SP100 and SP302
Master Electrical Component List
Heater Relay, Right Instrument Panel Junction Block
WASH, RR WIP, WIPER, ECU-IG, GAUGE, HEATER, and DEF Fuses