GM Service Manual Online
For 1990-2009 cars only
Makes
🢒
Pontiac
🢒
2003
🢒
Vibe - FWD
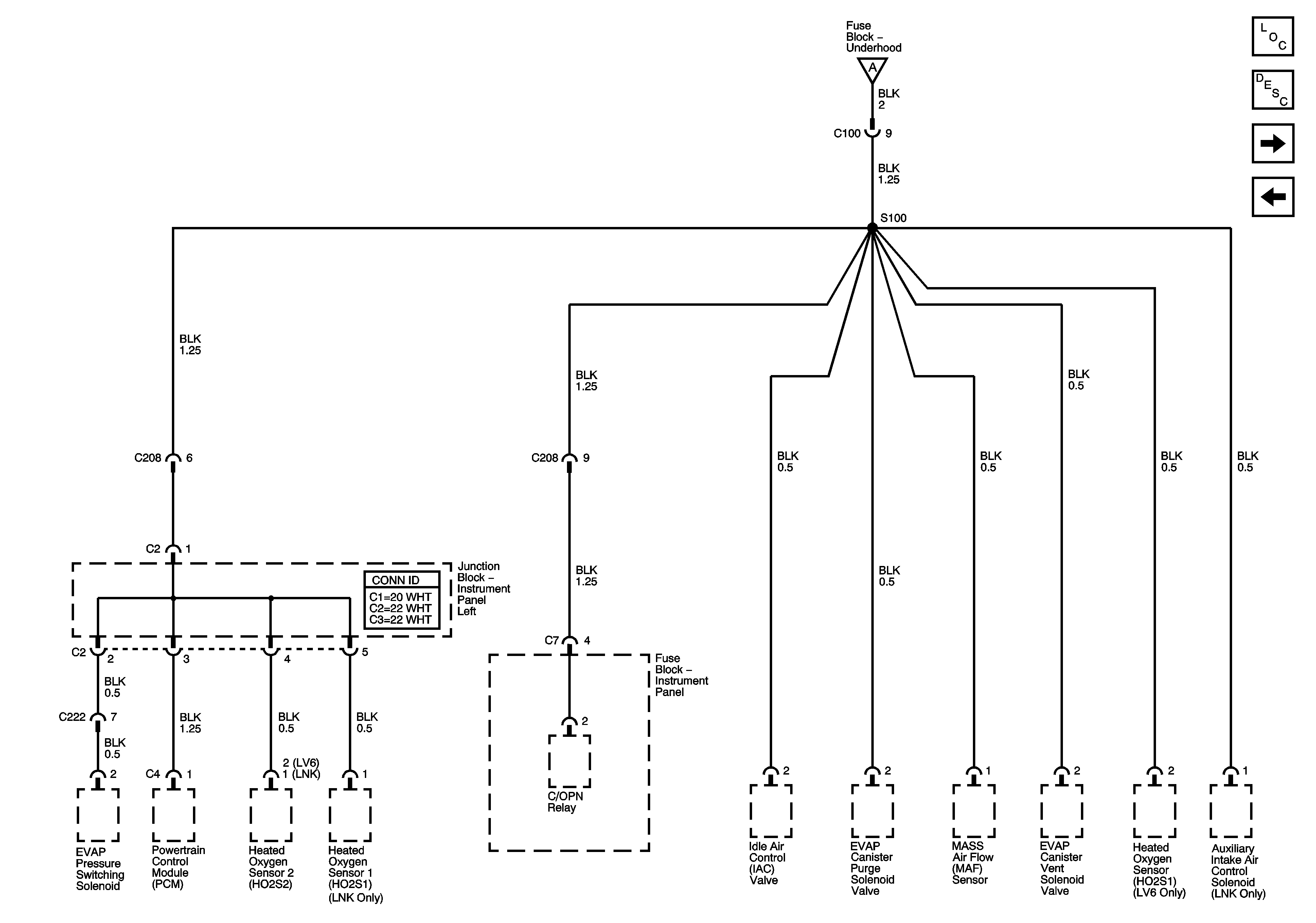
🢒 S100
S100
S100
Master Electrical Component List
HORN, DOME, MAIN and AMP Fuses
H-MAIN, ALT-S, EFI and HAZ Fuses