GM Service Manual Online
For 1990-2009 cars only
Makes
🢒
Pontiac
🢒
2004
🢒
Vibe - FWD
🢒 SP 109
SP 109
SP 109
Master Electrical Component List
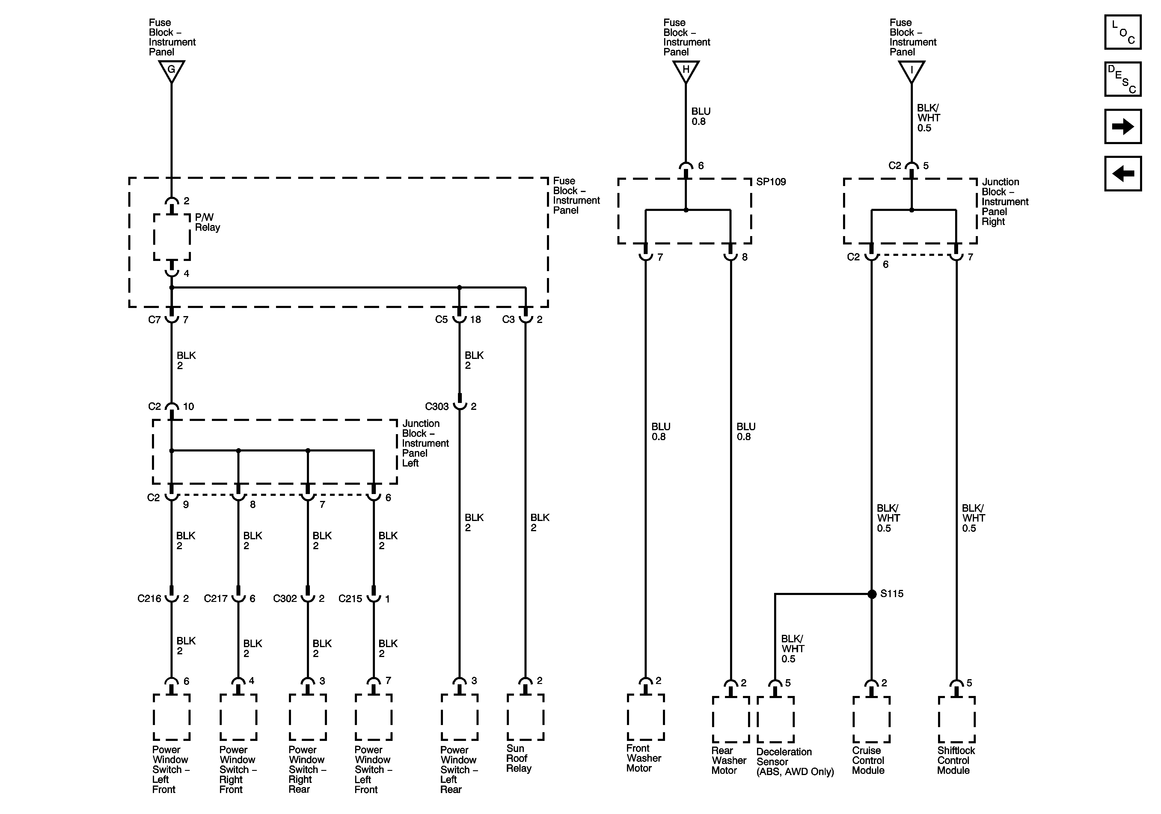
Junction Block-Instrument Panel Right
Wash, RR Wip, Wiper, ECU-IG, Gauge, Heater, Def Fuses