GM Service Manual Online
For 1990-2009 cars only
Makes
🢒
Pontiac
🢒
2004
🢒
Vibe - FWD
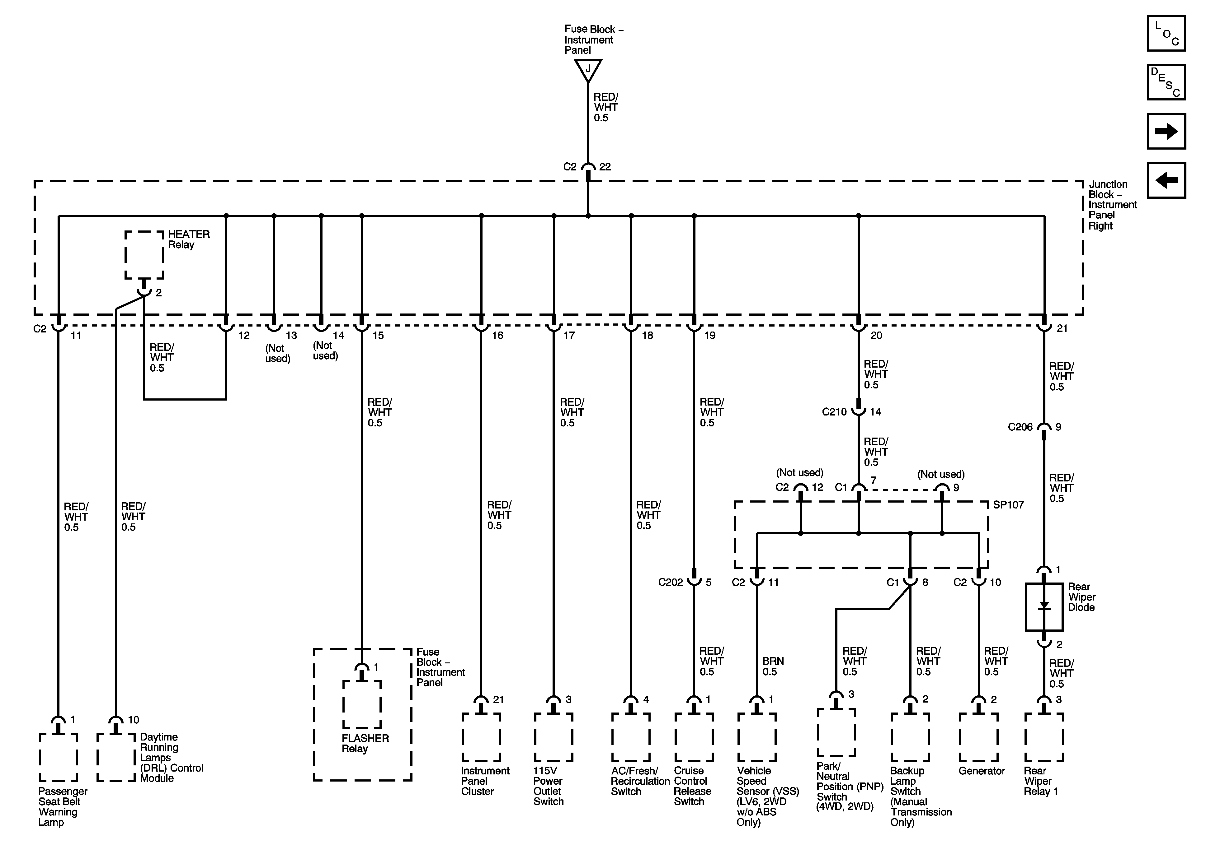
🢒 Junction Block-Instrument Panel Right
Junction Block-Instrument Panel Right
Junction Block -- Instrument Panel Right
Master Electrical Component List
Ignition Switch (1 of 2)
SP 109