GM Service Manual Online
For 1990-2009 cars only
Makes
🢒
Pontiac
🢒
2004
🢒
Vibe - FWD
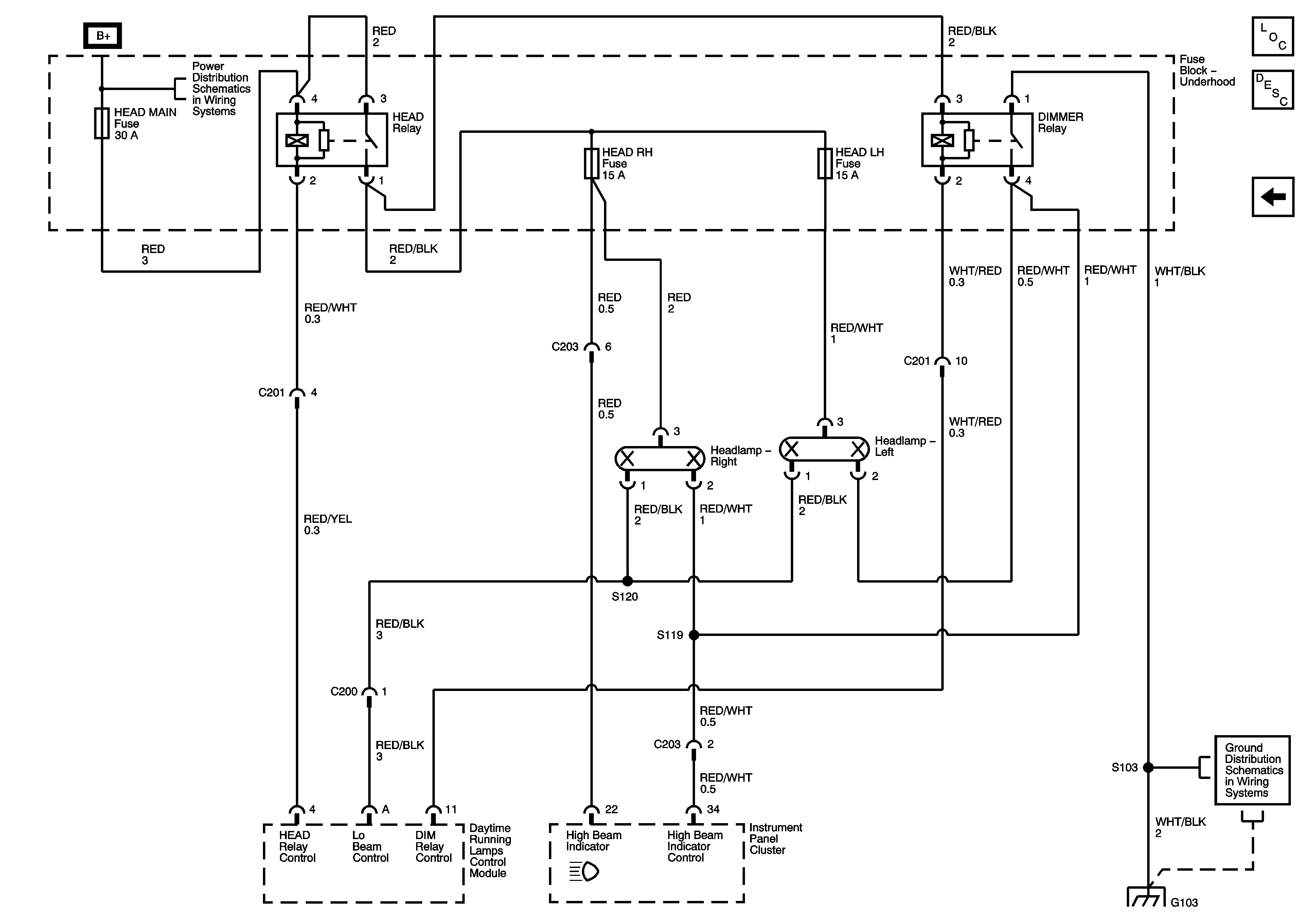
🢒 Headlamps
Headlamps
Headlamps
Master Electrical Component List
Exterior Lighting Systems Description and Operation
Turn Signal/Headlamp Switch
Air Pump, Headlamps, Alt S, EFI, Hazard Fuses
G103