GM Service Manual Online
For 1990-2009 cars only
Makes
🢒
Pontiac
🢒
2004
🢒
Vibe - FWD
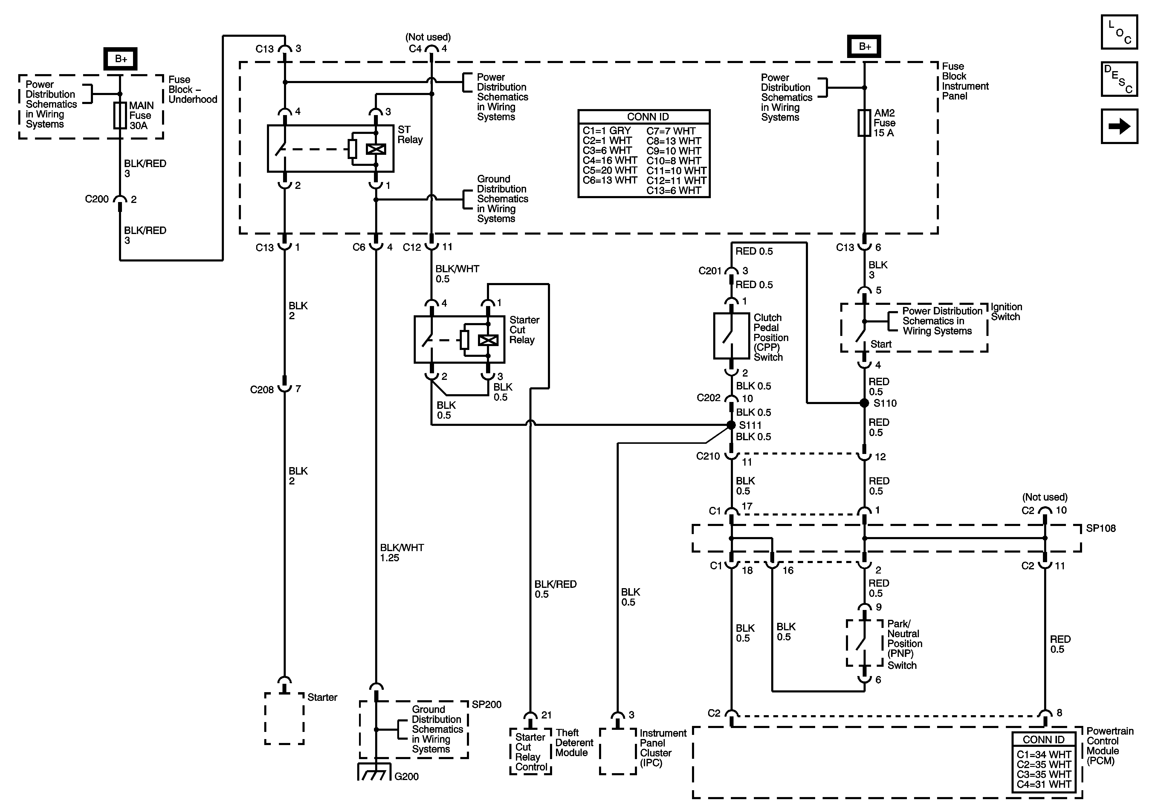
🢒 Start Relay, Starter Cut Relay, Theft Deterent Module, Powertrain Control Module
Start Relay, Starter Cut Relay, Theft Deterent Module, Powertrain Control Module
Start Relay, Starter Cut Relay, Theft Deterent Module, Powertrain Control Module (PCM)
Master Electrical Component List
Theft Systems Description and Operation
Theft Deterent Module, Glass Breakage Sensor, Security Indicator
Horn, Dome, Main, Amp Fuses
Horn, Dome, Main, Amp Fuses
Fuse Block-Instrument Panel
Horn, Dome, Main, Amp Fuses
Ignition Switch (1 of 2)
SP200 and G200