GM Service Manual Online
For 1990-2009 cars only
Makes
🢒
Pontiac
🢒
2004
🢒
Vibe - FWD
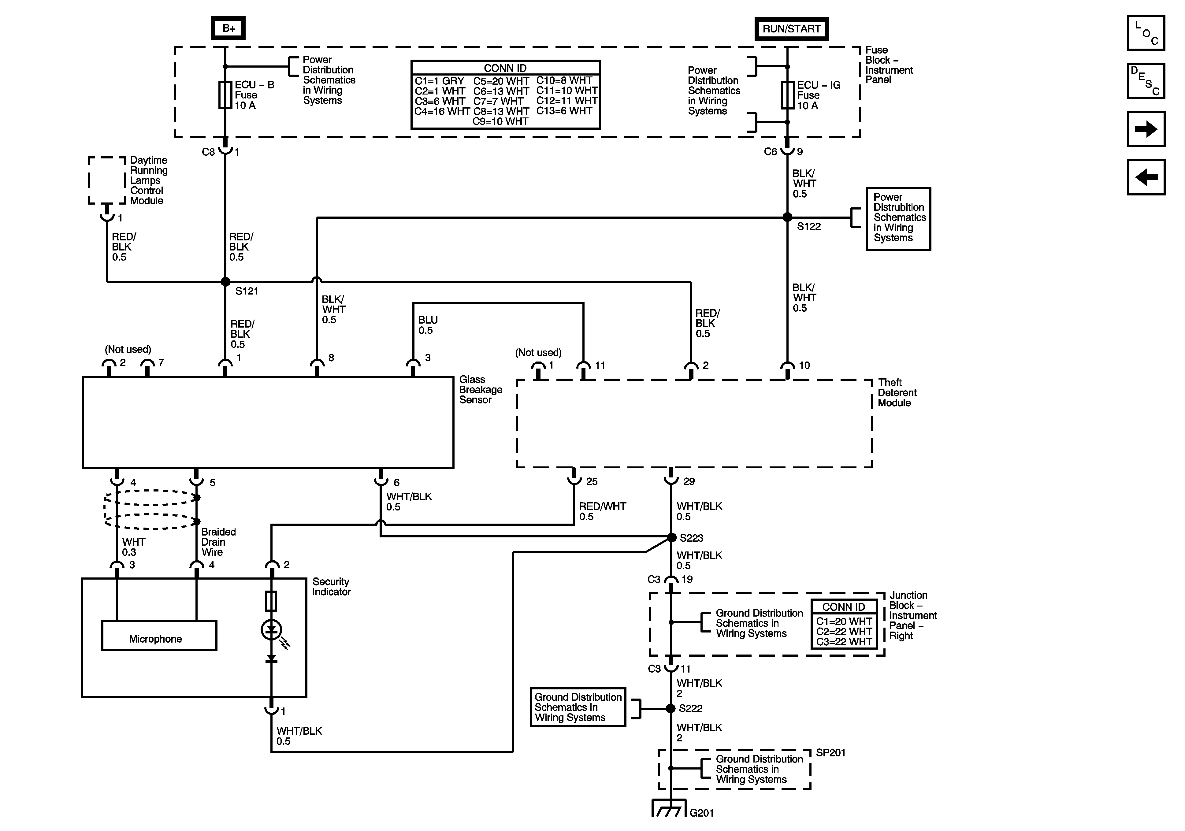
🢒 Theft Deterent Module, Glass Breakage Sensor, Security Indicator
Theft Deterent Module, Glass Breakage Sensor, Security Indicator
Theft Deterent Module, Glass Breakage Sensor, Security Indicator
Master Electrical Component List
Master Electrical Component List
Theft Systems Description and Operation
Remote Control Door Lock Receiver, Multifunction Alarm Module,
Start Relay, Starter Cut Relay, Theft Deterent Module, Powertrain Control Module
Power, AM 1, Door, Tail, P/Point, ECU-B, Stop, OBD, INV Fuses
Wash, RR Wip, Wiper, ECU-IG, Gauge, Heater, Def Fuses
Wash, RR Wip, Wiper, ECU-IG, Gauge, Heater, Def Fuses
SP201 and G201
Junction Block-Instrument Panel Right
SP201 and G201