GM Service Manual Online
For 1990-2009 cars only
Makes
🢒
Pontiac
🢒
2004
🢒
Vibe - FWD
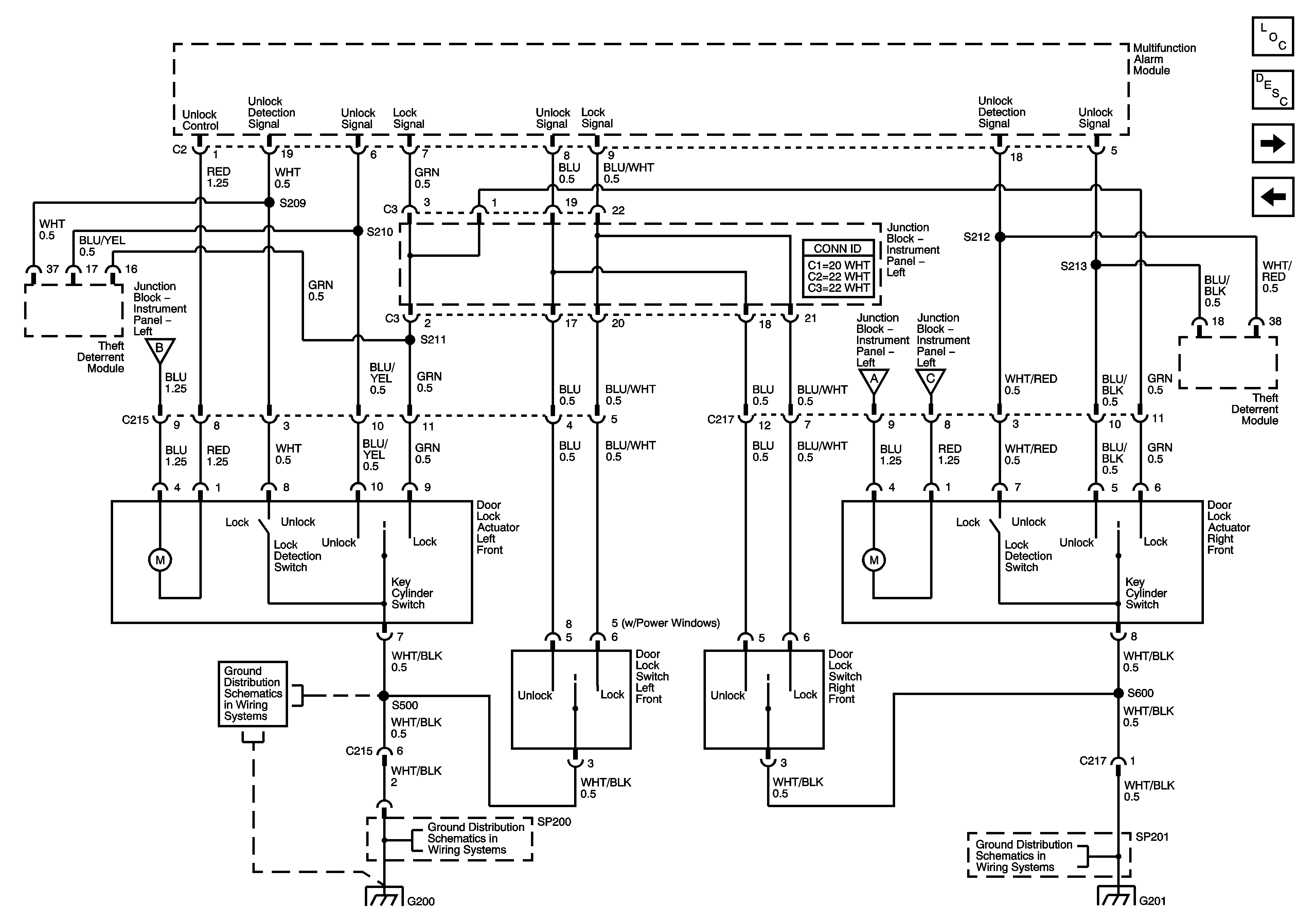
🢒 Door Lock Switches and Front Door Lock Actuators
Door Lock Switches and Front Door Lock Actuators
Door Lock Switches and Front Door Lock Actuators
Master Electrical Component List
Theft Systems Description and Operation
Multifunction Alarm Module, Horn, Hazard, Turn Signal/Headlamp Switches
Multifunction Alarm Module, Rear Door Lock, Glass Hatch and Tailgate Actuators
SP200 and G200
SP200 and G200