GM Service Manual Online
For 1990-2009 cars only
Makes
🢒
Pontiac
🢒
2004
🢒
Vibe - FWD
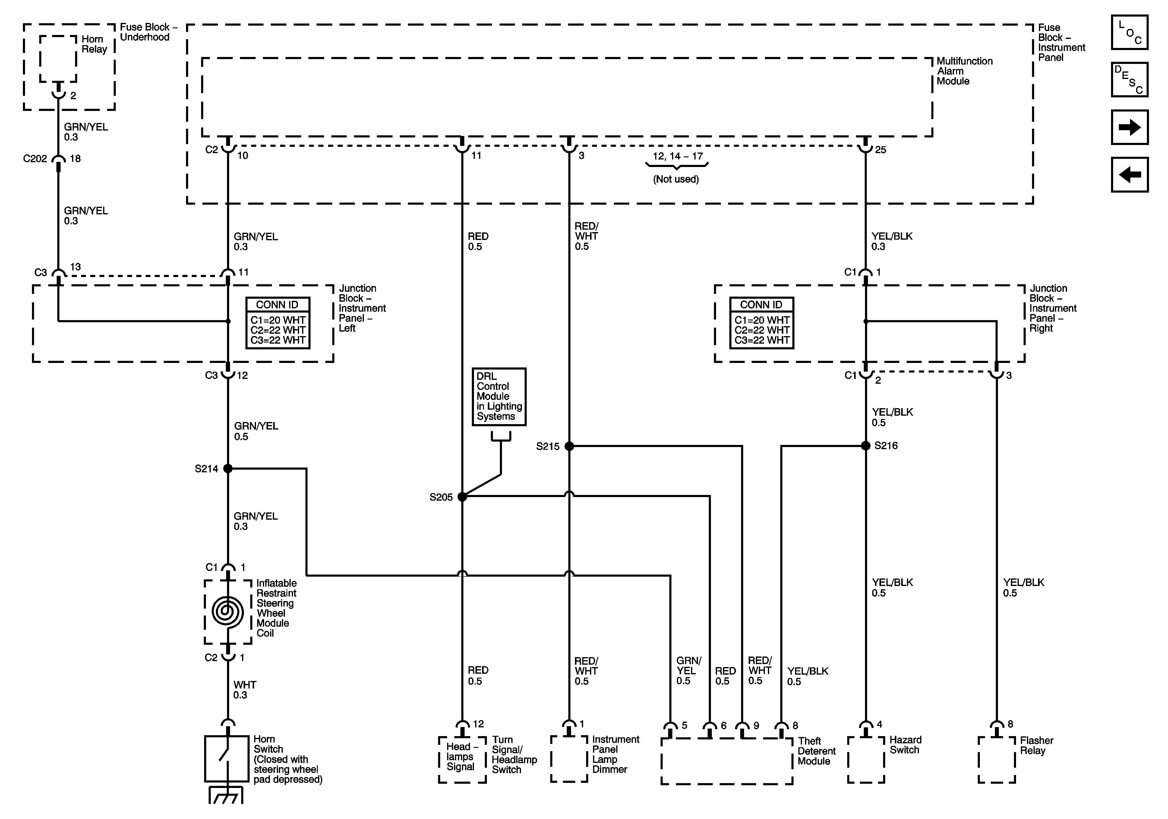
🢒 Multifunction Alarm Module, Horn, Hazard, Turn Signal/Headlamp Switches
Multifunction Alarm Module, Horn, Hazard, Turn Signal/Headlamp Switches
Multifunction Alarm Module, Horn, Hazard, Turn Signal/Headlamp Switches
Master Electrical Component List
Theft Systems Description and Operation
Multifunction Alarm Module, Door/Courtesy Switches
Door Lock Switches and Front Door Lock Actuators
Turn Signal/Headlamp Switch