GM Service Manual Online
For 1990-2009 cars only
Makes
🢒
Pontiac
🢒
2005
🢒
Vibe - FWD
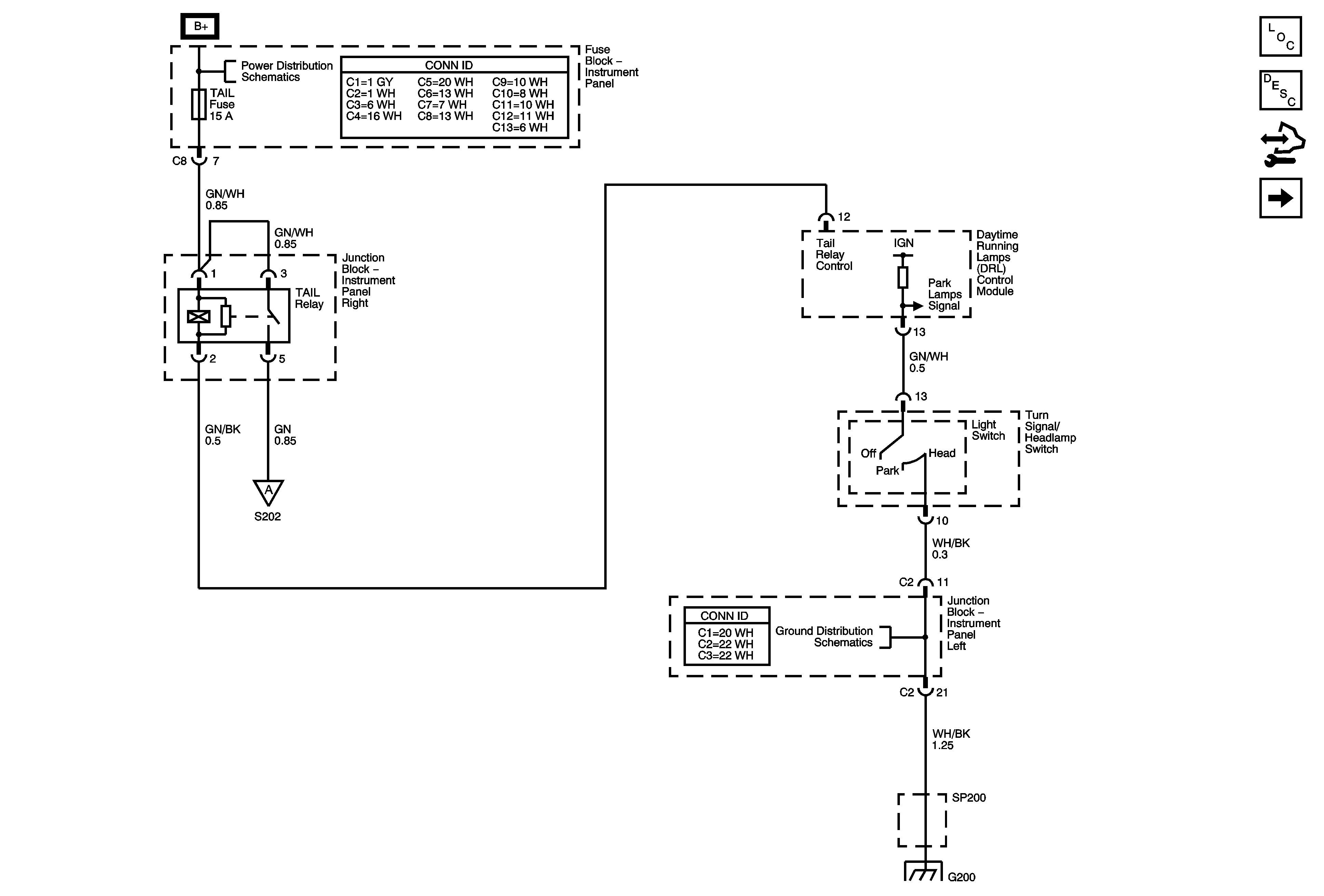
🢒 Tail Relay, Turn Signal Headlamp Switch
Tail Relay, Turn Signal Headlamp Switch
Tail Relay, Turn Signal Headlamp Switch
Master Electrical Component List
Exterior Lighting Systems Description and Operation
Control Module References
Park Lamps
Air Pump, ETCS, Head, Alt S, EFI, Hazard EFT 2 Fuses
G100, G101, G102