GM Service Manual Online
For 1990-2009 cars only
Makes
🢒
Pontiac
🢒
2005
🢒
Vibe - FWD
🢒 1 of 3
1 of 3
1 of 3
Master Electrical Component List
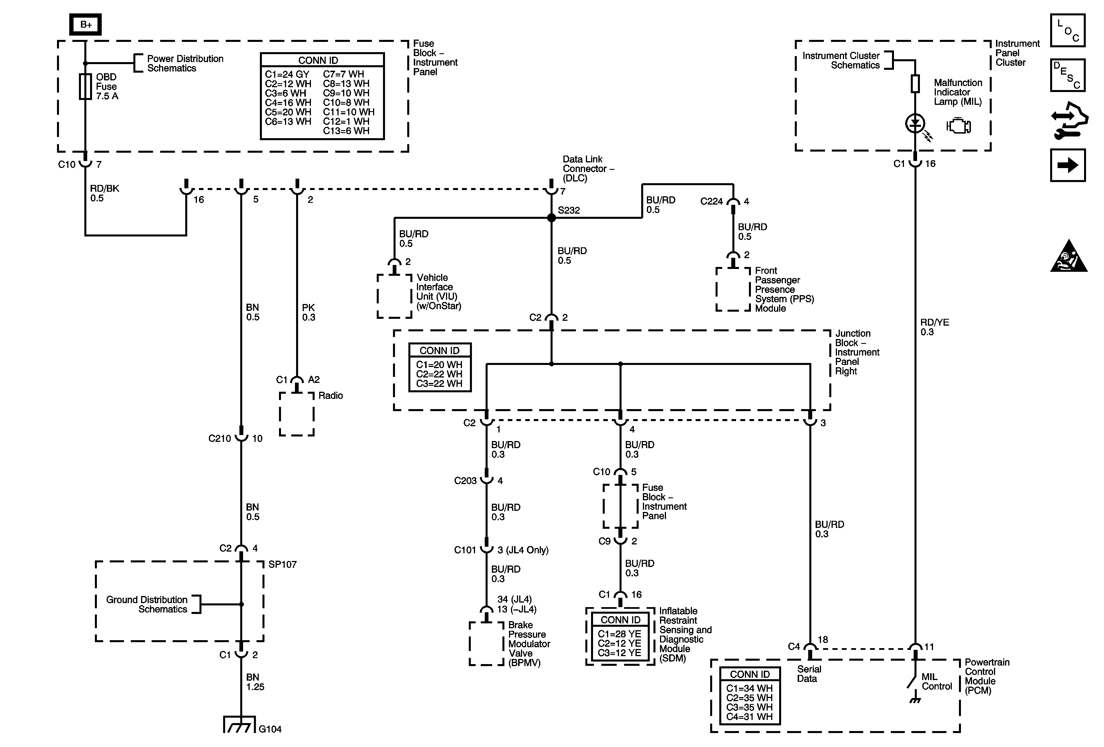
Data Link Communications Description and Operation
Control Module References
2 of 3
Data Communication Schematic Icons
Air Pump, ETCS, Head, Alt S, EFI, Hazard EFT 2 Fuses
G100, G101, G102
Charge, Air Bag, Malfunction, O/D Off, Cruise Indicators