GM Service Manual Online
For 1990-2009 cars only
Makes
🢒
Pontiac
🢒
2005
🢒
Vibe - FWD
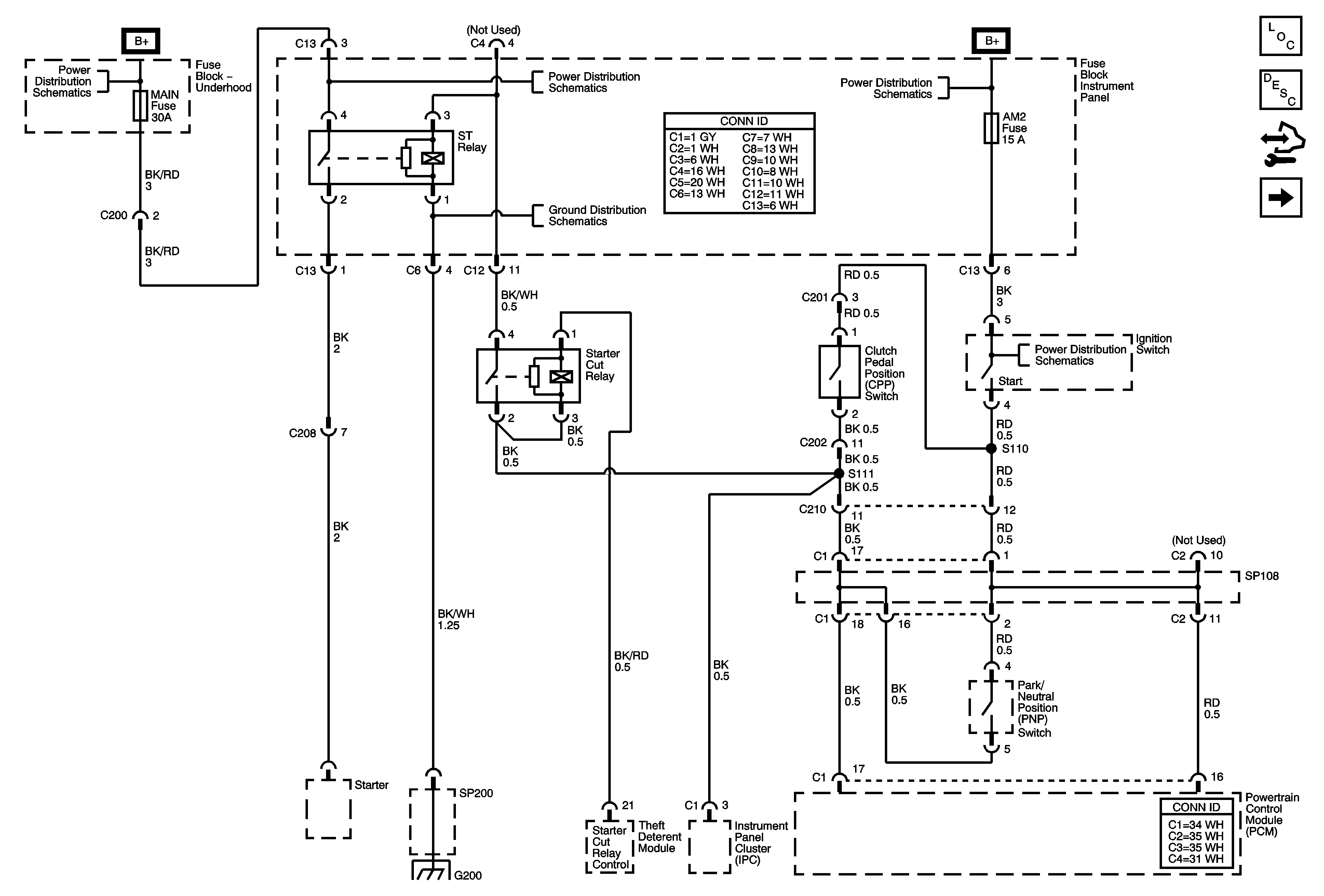
🢒 Start Relay, Starter Cut Relay, Theft Deterrent Module, PCM
Start Relay, Starter Cut Relay, Theft Deterrent Module, PCM
Start Relay, Starter Cut Relay, Theft Deterrent Module, Powertrain Control Module (PCM)
Master Electrical Component List
Theft Systems Description and Operation
Control Module References
Theft Deterrent Module, Glass Breakage Sensor, Security Indicator
Air Pump, ETCS, Head, Alt S, EFI, Hazard EFT 2 Fuses
Air Pump, ETCS, Head, Alt S, EFI, Hazard EFT 2 Fuses
Air Pump, ETCS, Head, Alt S, EFI, Hazard EFT 2 Fuses
G100, G101, G102
Air Pump, ETCS, Head, Alt S, EFI, Hazard EFT 2 Fuses