GM Service Manual Online
For 1990-2009 cars only
Makes
🢒
Pontiac
🢒
2005
🢒
Vibe - FWD
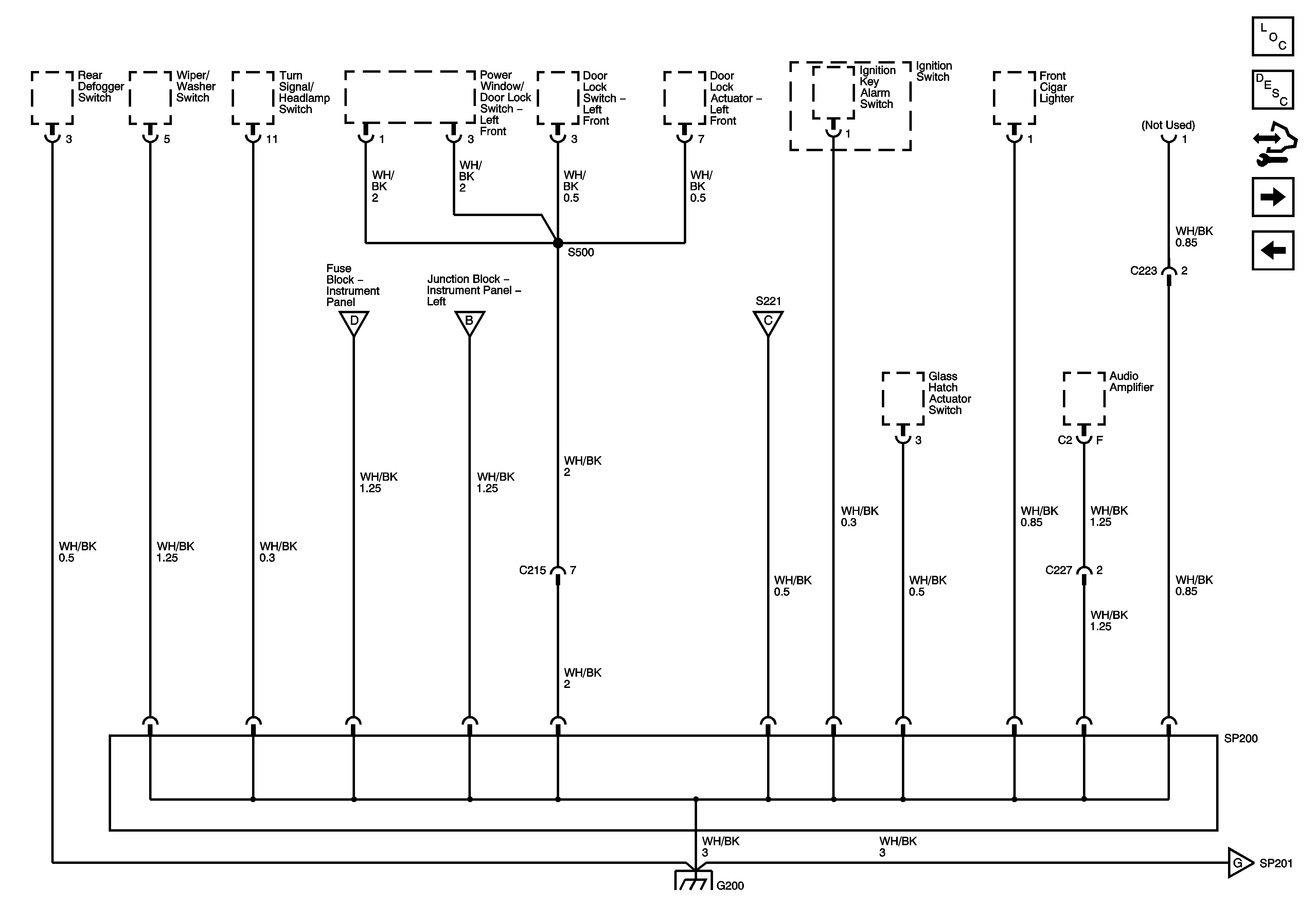
🢒 SP200 and G200
SP200 and G200
SP200 and G200
Master Electrical Component List
Control Module References
Junction Block Instrument Panel - Left
S105, G105, G106, G107, G108