GM Service Manual Online
For 1990-2009 cars only
Makes
🢒
Pontiac
🢒
2005
🢒
Vibe - FWD
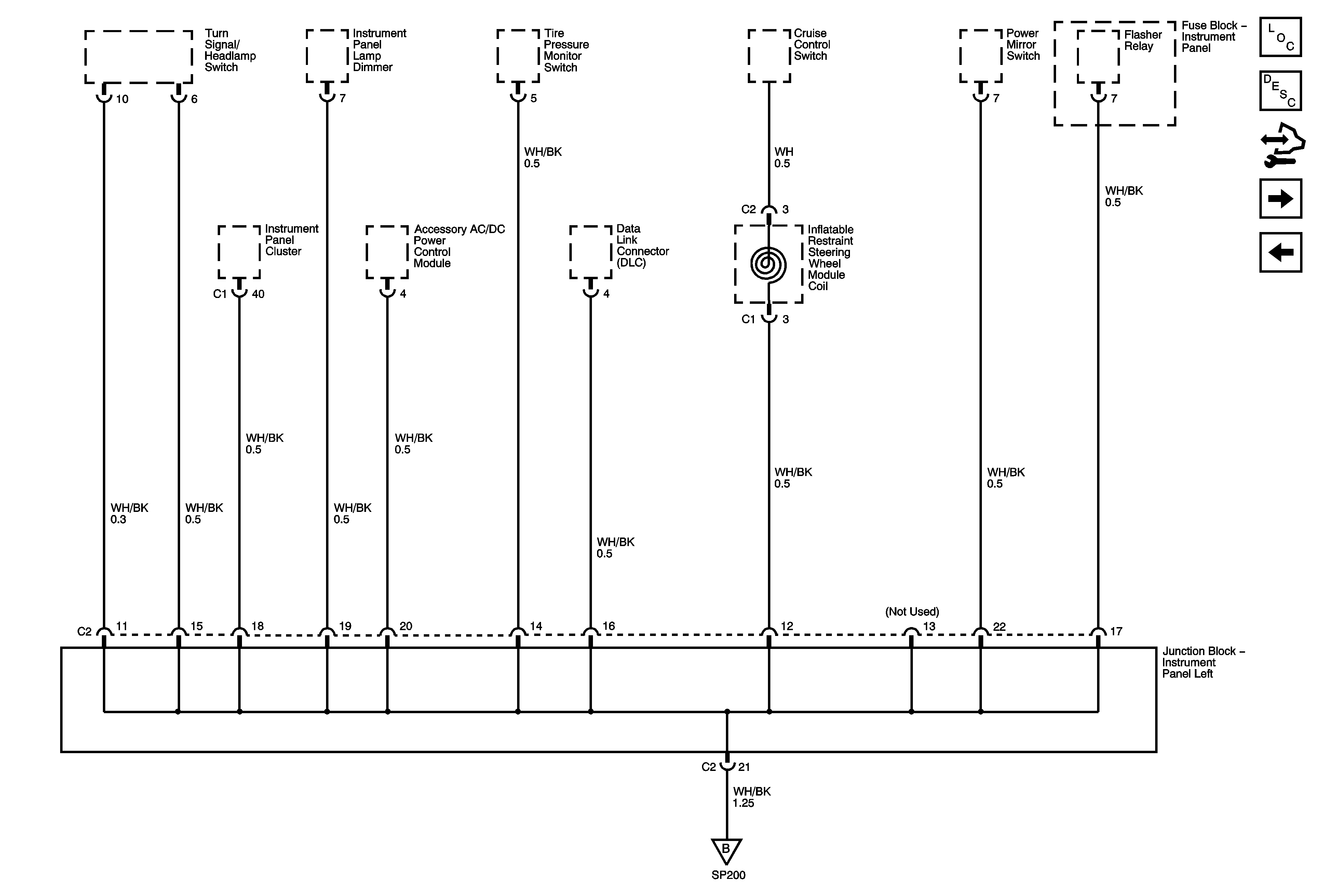
🢒 Junction Block Instrument Panel - Left
Junction Block Instrument Panel - Left
Junction Block Instrument Panel - Left
Master Electrical Component List
Control Module References
S221
SP200 and G200