GM Service Manual Online
For 1990-2009 cars only
Makes
🢒
Pontiac
🢒
2007
🢒
Vibe - FWD
🢒
Body Systems
🢒
Wipers and Washers
🢒 Wiper/Washer Schematics
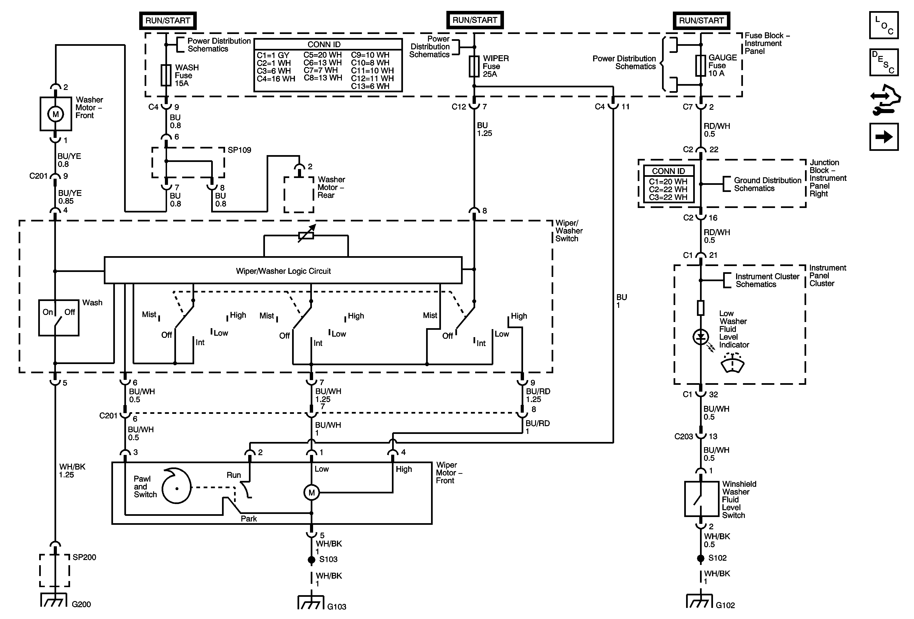
Figure
1:
Front Wiper System
Master Electrical Component List
Wiper/Washer System Description and Operation
Control Module References
Rear Wiper System with Prewash Function
Air Pump, ETCS, Head, Alt S, EFI, Hazard EFT 2 Fuses
Air Pump, ETCS, Head, Alt S, EFI, Hazard EFT 2 Fuses
Air Pump, ETCS, Head, Alt S, EFI, Hazard EFT 2 Fuses
Air Pump, ETCS, Head, Alt S, EFI, Hazard EFT 2 Fuses
Low Washer Fluid Level, Oil Pressure Indicators, IPC Illumination
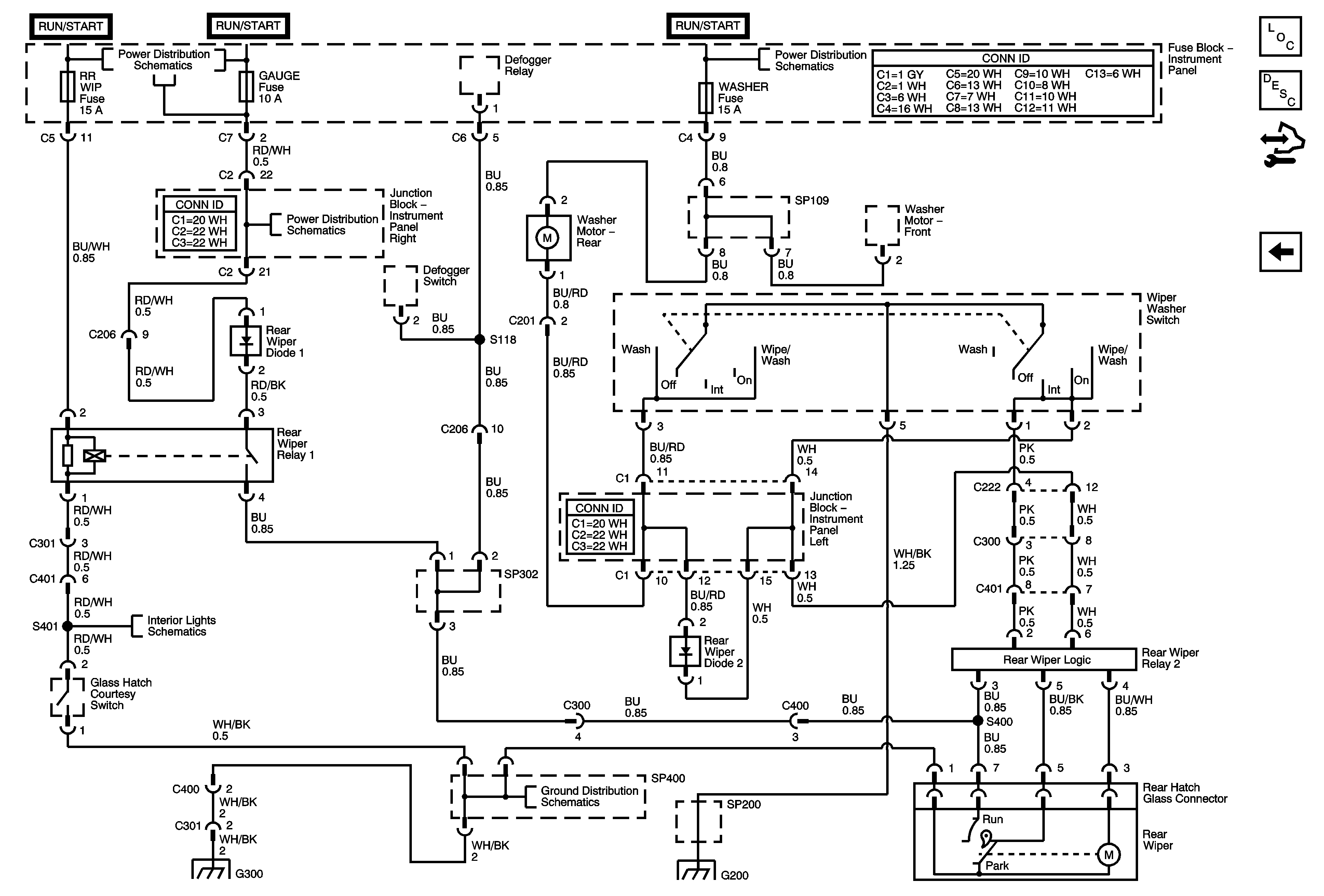
Figure
2:
Rear Wiper System with Prewash Function
Master Electrical Component List
Rear Wiper/Washer System Description and Operation
Control Module References
Front Wiper System
Air Pump, ETCS, Head, Alt S, EFI, Hazard EFT 2 Fuses
Air Pump, ETCS, Head, Alt S, EFI, Hazard EFT 2 Fuses
Air Pump, ETCS, Head, Alt S, EFI, Hazard EFT 2 Fuses
I/P Lamp Dimmer
G100, G101, G102