GM Service Manual Online
For 1990-2009 cars only
Makes
🢒
Pontiac
🢒
2007
🢒
Vibe - FWD
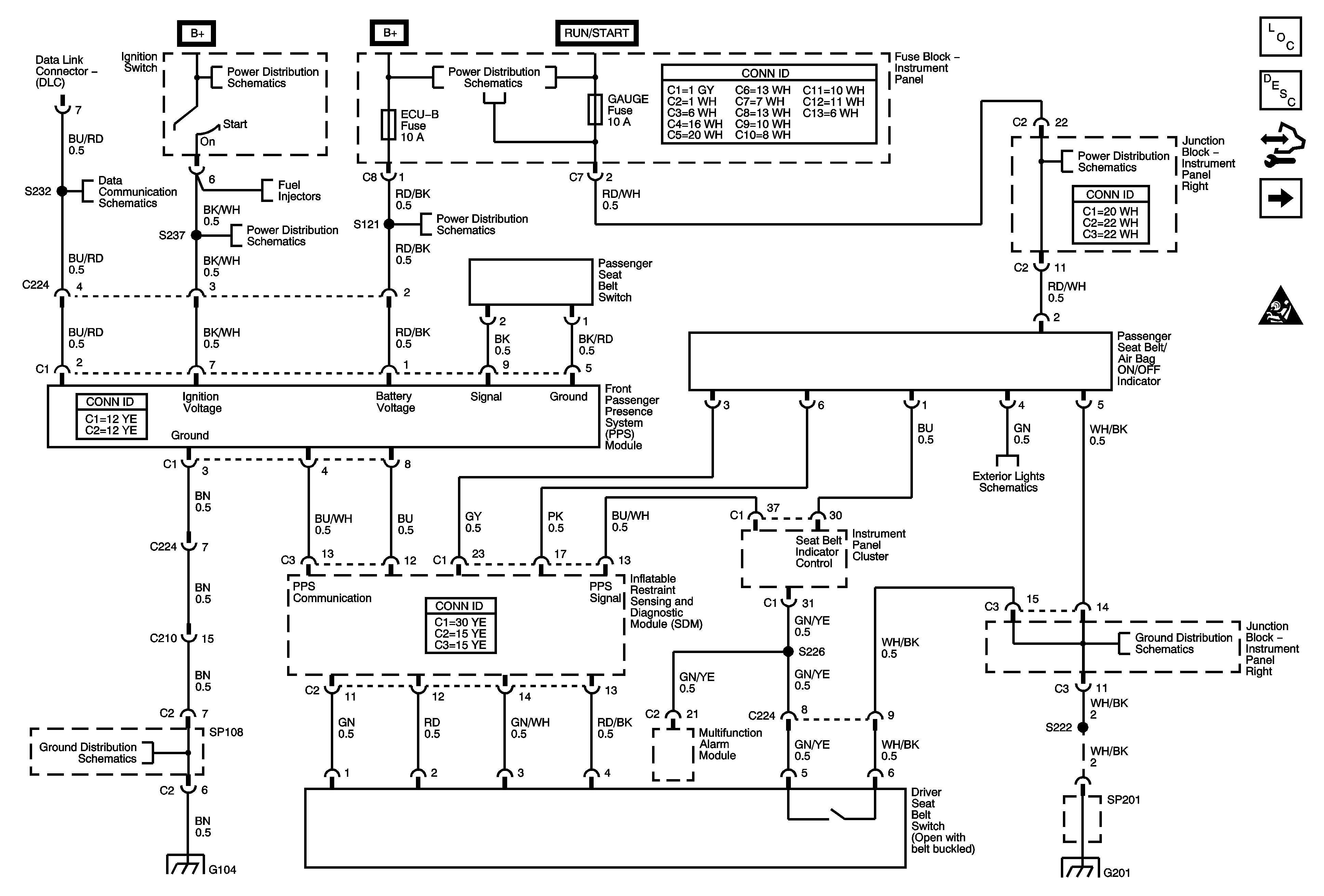
🢒 Seat Belt Warning Indicator
Seat Belt Warning Indicator
Seat Belt Warning Indicator
Master Electrical Component List
Audible Warnings Description and Operation
Control Module References
Door Open Warning Indicator
Instrument Panel, Gages, and Console Schematic Icons
Ignition Switch 1 of 2
Wash, RR WIP, Wiper, ECU-IG, Gage, Heater, DEF Fuses
Fuel Injectors
Computer/Integrating Systems DLC Schematic Figure for Graphic 1666852
Headlamps ON Indicator, Crank Signal, Vehicle Speed Signal
Power, AM 1, Door, Tail, P/Point, ECU-B, Stop, OBD, INV Fuses
Junction Block - Instrument Panel Right
Tail Relay, Turn Signal/Headlamp Switch
Junction Block Instrument Panel - Right
SP107, SP108, G104
SP107, SP108, G104
SP201 and G201