GM Service Manual Online
For 1990-2009 cars only
Makes
🢒
Pontiac
🢒
2007
🢒
Vibe - FWD
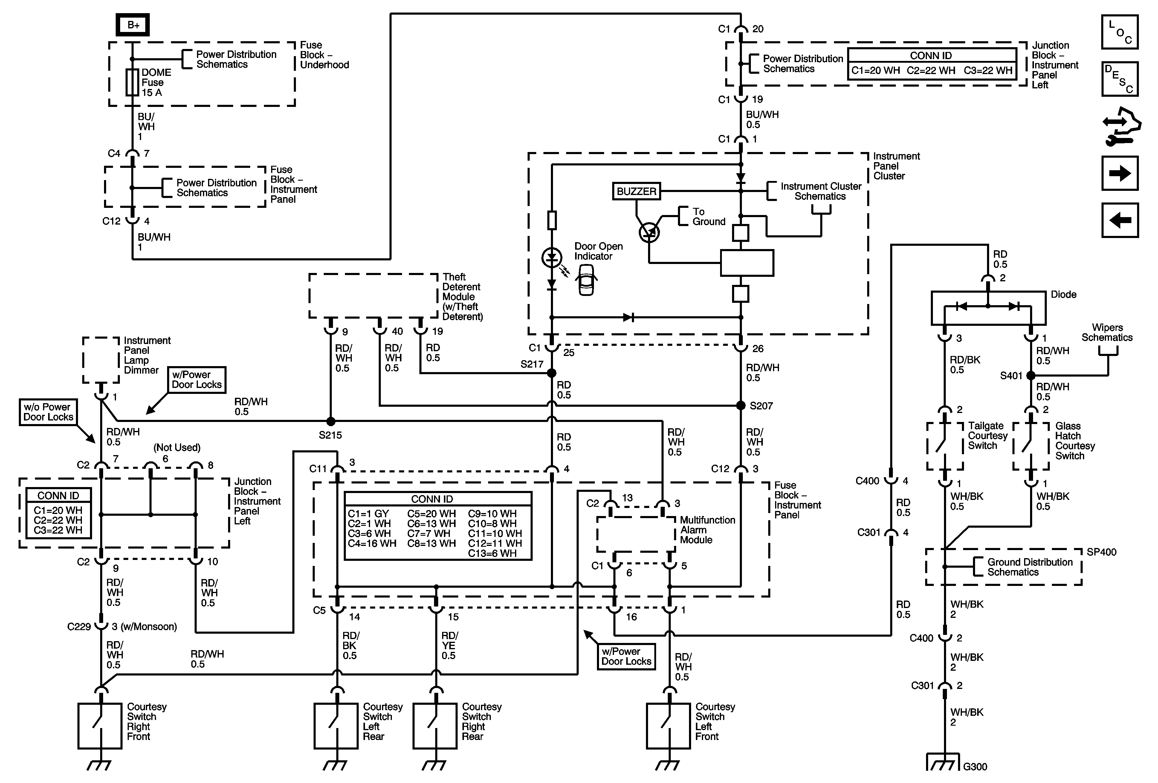
🢒 Door Open Warning Indicator
Door Open Warning Indicator
Door Open Warning Indicator
Master Electrical Component List
Audible Warnings Description and Operation
Control Module References
Headlamps ON, Ignition Key, Reverse Warning Indicators
Seat Belt Warning Indicator
Horn, Dome, Main, Amp, OnStar Fuses
S100
Horn, Dome, Main, Amp, OnStar Fuses
High Beam Door Open, Engine Coolant Temperature (ECT) Indicators
Wipers/Washer Systems Schematic Figure for Graphic 1666863
SP400
G202, G300, G301, G302