GM Service Manual Online
For 1990-2009 cars only
Makes
🢒
Pontiac
🢒
2007
🢒
Vibe - FWD
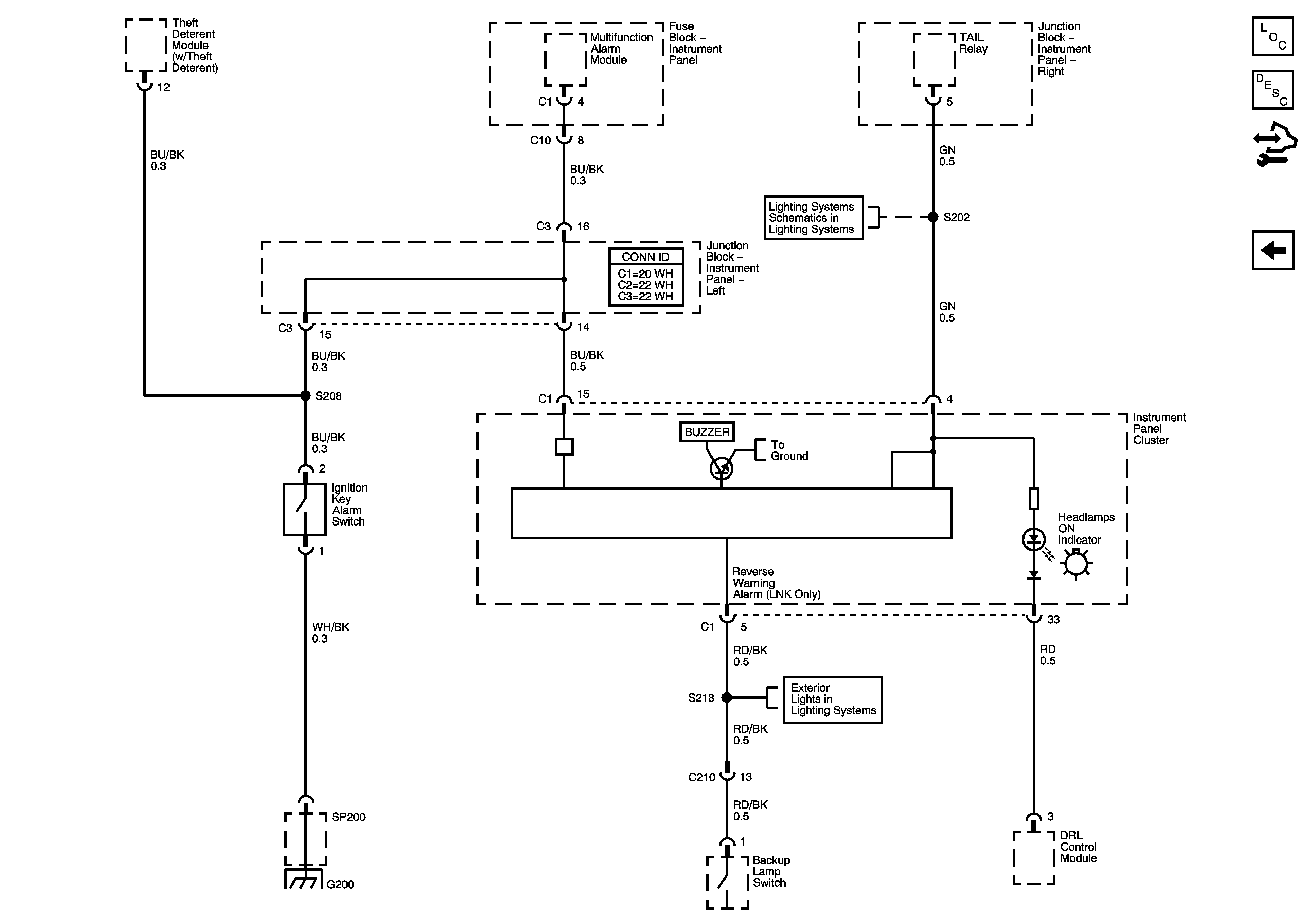
🢒 Headlamps ON, Ignition Key, Reverse Warning Indicators
Headlamps ON, Ignition Key, Reverse Warning Indicators
Headlamps ON, Ignition Key, Reverse Warning Indicators
Master Electrical Component List
Audible Warnings Description and Operation
Control Module References
Door Open Warning Indicator
Tail Relay, Turn Signal/Headlamp Switch
Back Up Lamps
SP200 and G200