GM Service Manual Online
For 1990-2009 cars only
Makes
🢒
Pontiac
🢒
2007
🢒
Vibe - FWD
🢒 Evaporative Emission (EVAP) System
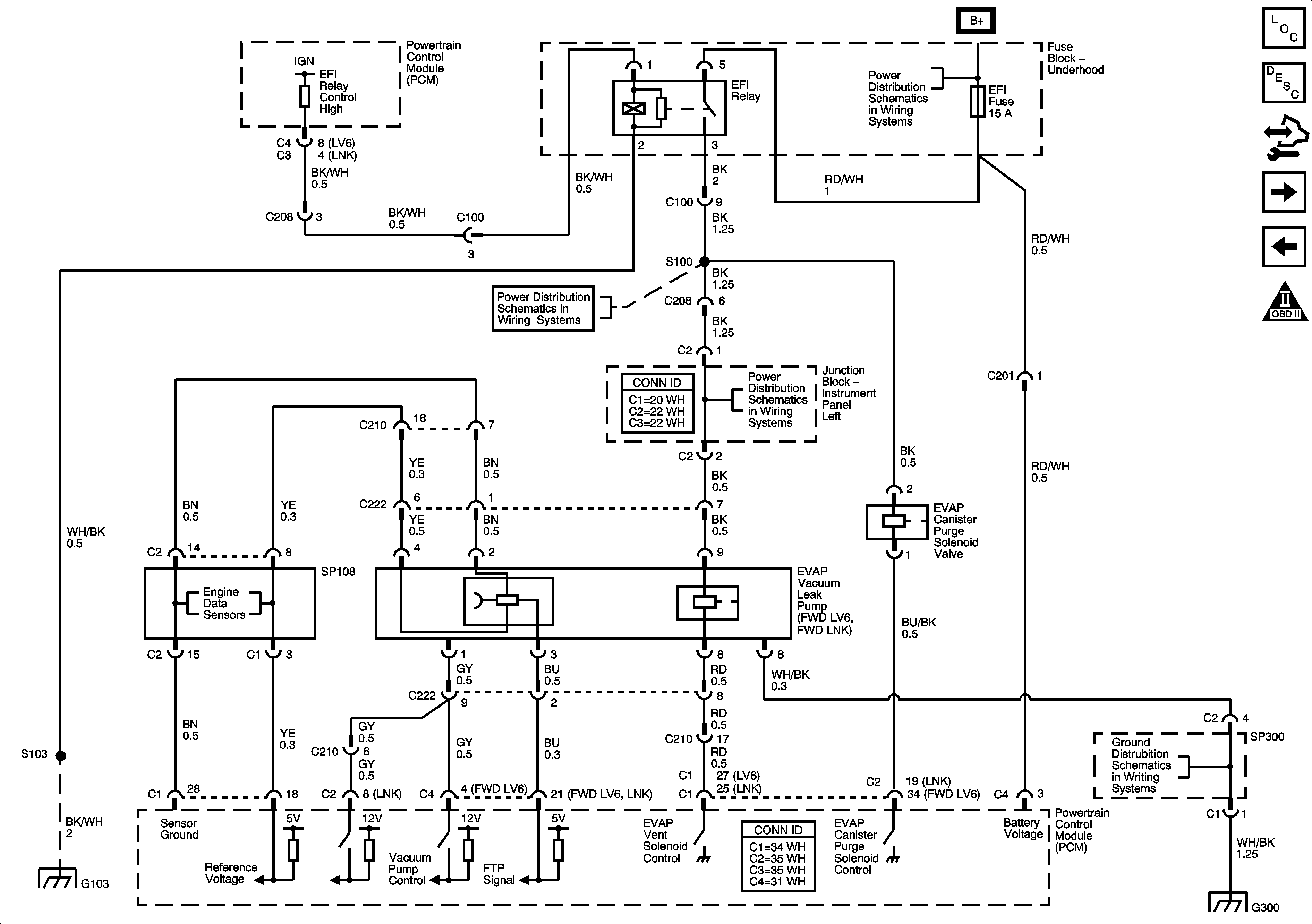
Evaporative Emission (EVAP) System
EVAP System
Master Electrical Component List
Evaporative Emission Control System Description
Control Module References
Idle Air Control (IAC) Valve and Auxiliary Intake Air Solenoid
Secondary Air Injection (AIR) System
Engine Controls Schematic Icons
Air Pump, ETCS, Head, Alt S, EFI, Hazard EFI 2 Fuses
Air Pump, ETCS, Head, Alt S, EFI, Hazard EFI 2 Fuses
S100
S103, G103
G202, G300, G301, G302