GM Service Manual Online
For 1990-2009 cars only
Makes
🢒
Pontiac
🢒
2007
🢒
Vibe - FWD
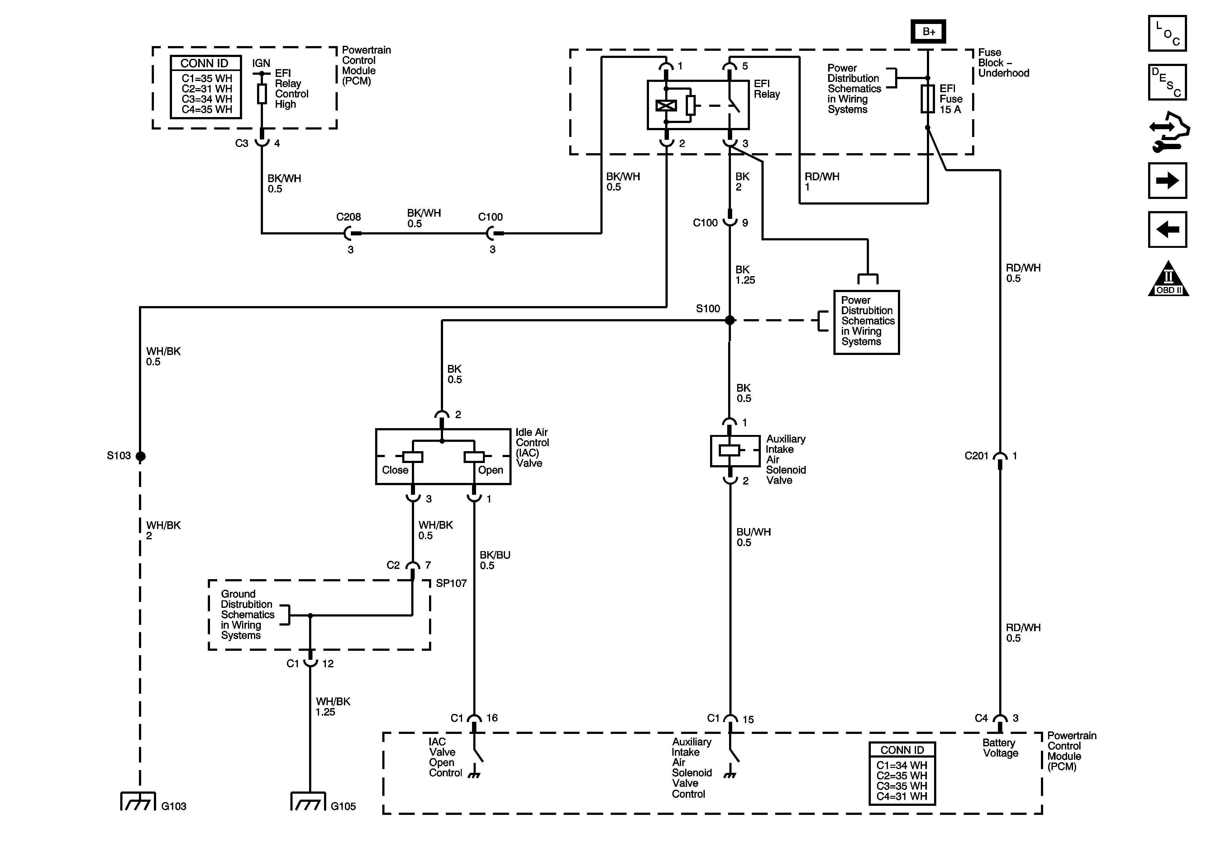
🢒 Idle Air Control (IAC) Valve and Auxiliary Intake Air Solenoid
Idle Air Control (IAC) Valve and Auxiliary Intake Air Solenoid
Idle Air Control Valve, Auxiliary Intake Air Solenoid
Master Electrical Component List
Air Intake System Description
Control Module References
Engine Coolant Temperature (ECT) Sensor, Fuel Tank Pressure (FTP) Sensor, Throttle Position (TP) Sensor, A/C Resistor
Evaporative Emission (EVAP) System
Engine Controls Schematic Icons
Air Pump, ETCS, Head, Alt S, EFI, Hazard EFI 2 Fuses
Air Pump, ETCS, Head, Alt S, EFI, Hazard EFI 2 Fuses
SP107, SP108, G104
S103, G103
S105, G105, G106, G107, G108