GM Service Manual Online
For 1990-2009 cars only
Makes
🢒
Pontiac
🢒
2007
🢒
Vibe - FWD
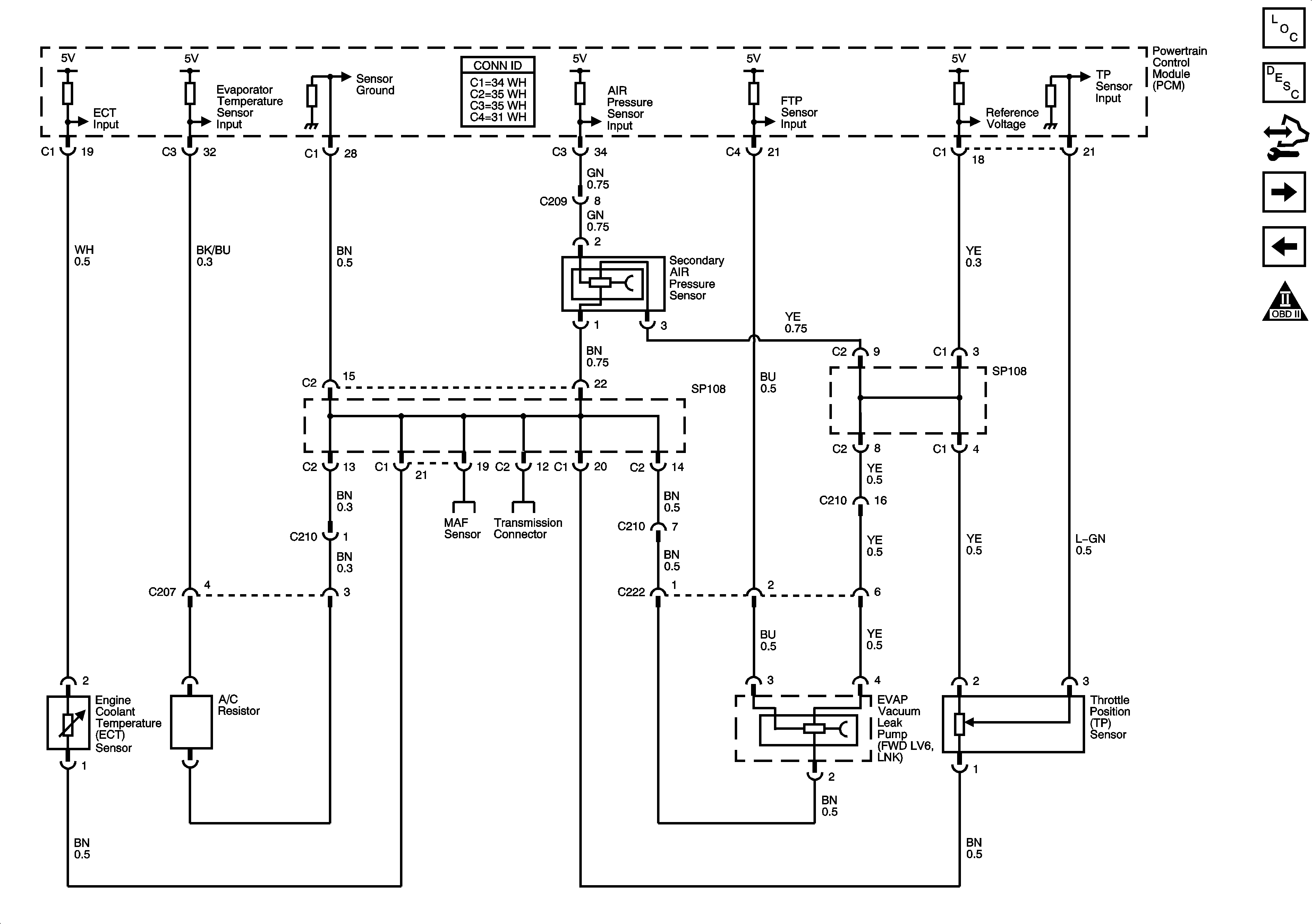
🢒 Engine Coolant Temperature (ECT) Sensor, Fuel Tank Pressure (FTP) Sensor, Throttle Position (TP) Sensor, A/C Resistor
Engine Coolant Temperature (ECT) Sensor, Fuel Tank Pressure (FTP) Sensor, Throttle Position (TP) Sensor, A/C Resistor
Engine Coolant Temperature (ECT) Sensor, A/C Resistor, EVAP Vacuum Leak Pump, Throttle Position (TP) Sensor
Master Electrical Component List
Evaporative Emission Control System Description
Control Module References
Mass Air Flow (MAF) Sensor
Idle Air Control (IAC) Valve and Auxiliary Intake Air Solenoid
Engine Controls Schematic Icons