GM Service Manual Online
For 1990-2009 cars only
Makes
🢒
Pontiac
🢒
2007
🢒
Vibe - FWD
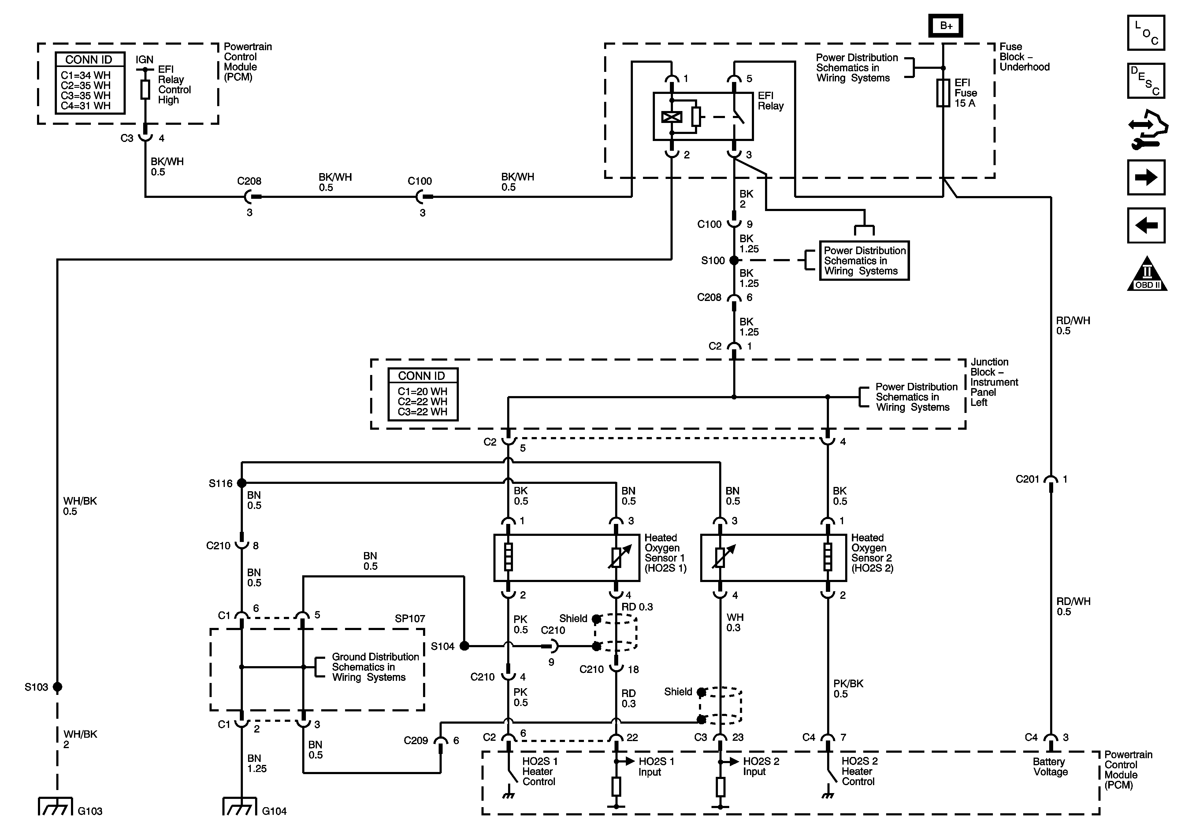
🢒 Heated Oxygen Sensor (HO2S)
Heated Oxygen Sensor (HO2S)
Heated Oxygen Sensors (HO2S)
Master Electrical Component List
Control Module References
Vehicle Speed Sensor (VSS)
Knock Sensor (KS), Camshaft Position (CMP) Sensor, Crankshaft Position (CKP) Sensor, CMP Actuator Solenoid Valve
Engine Controls Schematic Icons
Air Pump, ETCS, Head, Alt S, EFI, Hazard EFI 2 Fuses
Air Pump, ETCS, Head, Alt S, EFI, Hazard EFI 2 Fuses
S100
SP107, SP108, G104
S103, G103
SP107, SP108, G104