GM Service Manual Online
For 1990-2009 cars only
Makes
🢒
Pontiac
🢒
2007
🢒
Vibe - FWD
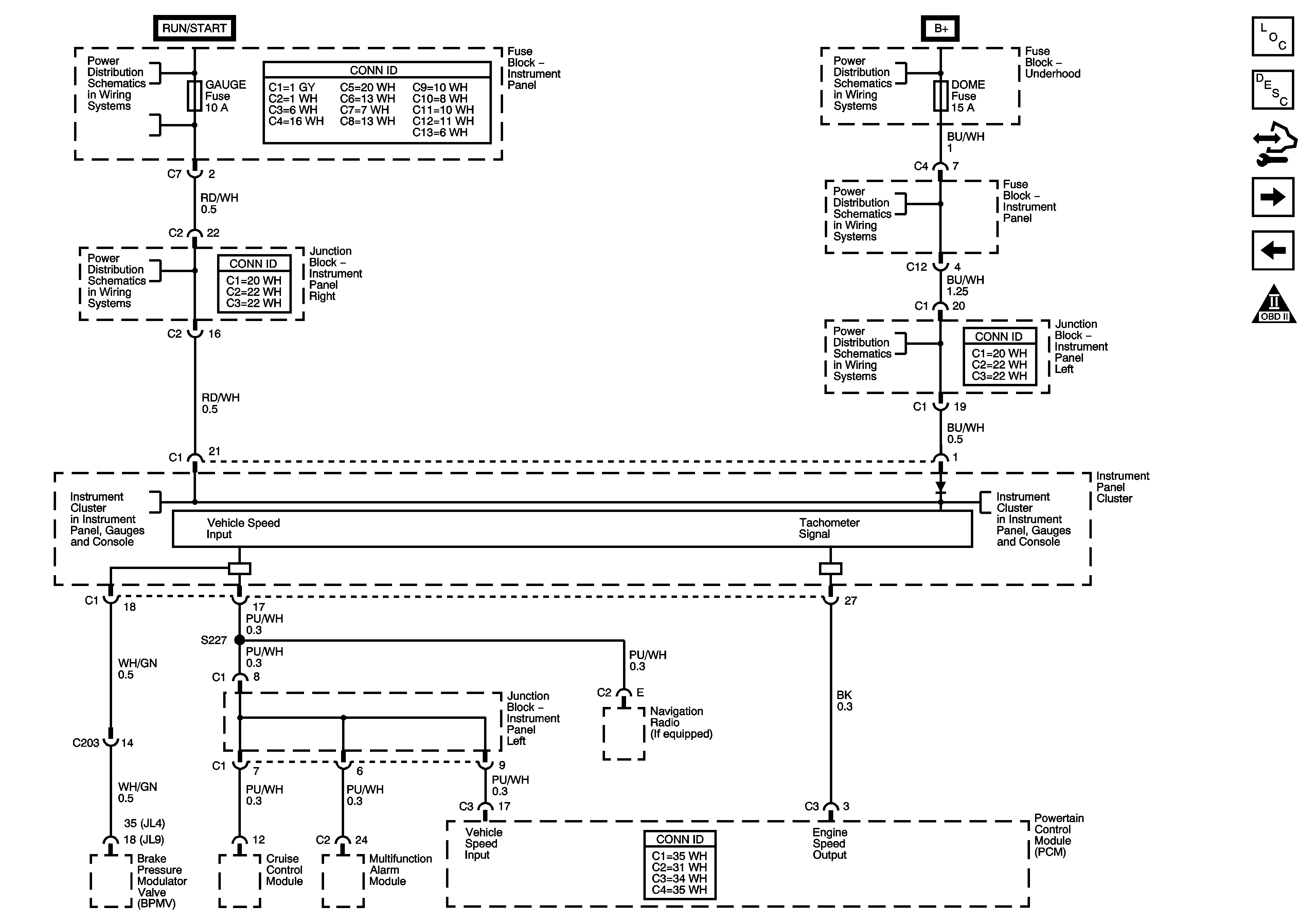
🢒 Vehicle Speed Sensor (VSS)
Vehicle Speed Sensor (VSS)
Vehicle Speed Signal
Master Electrical Component List
Control Module References
Rocker Arm Oil Control Solenoid Valve and Rocker Arm Oil Pressure Switch
Heated Oxygen Sensor (HO2S)
Engine Controls Schematic Icons
Wash, RR WIP, Wiper, ECU-IG, Gage, Heater, DEF Fuses
Horn, Dome, Main, Amp, OnStar Fuses
P/W Relay, SP109, S230
Power, AM 1, Door, Tail, P/Point, ECU-B, Stop, OBD, INV Fuses
S100
Headlamps ON Indicator, Crank Signal, Vehicle Speed Signal
Headlamps ON Indicator, Crank Signal, Vehicle Speed Signal