GM Service Manual Online
For 1990-2009 cars only
Makes
🢒
Pontiac
🢒
2007
🢒
Vibe - FWD
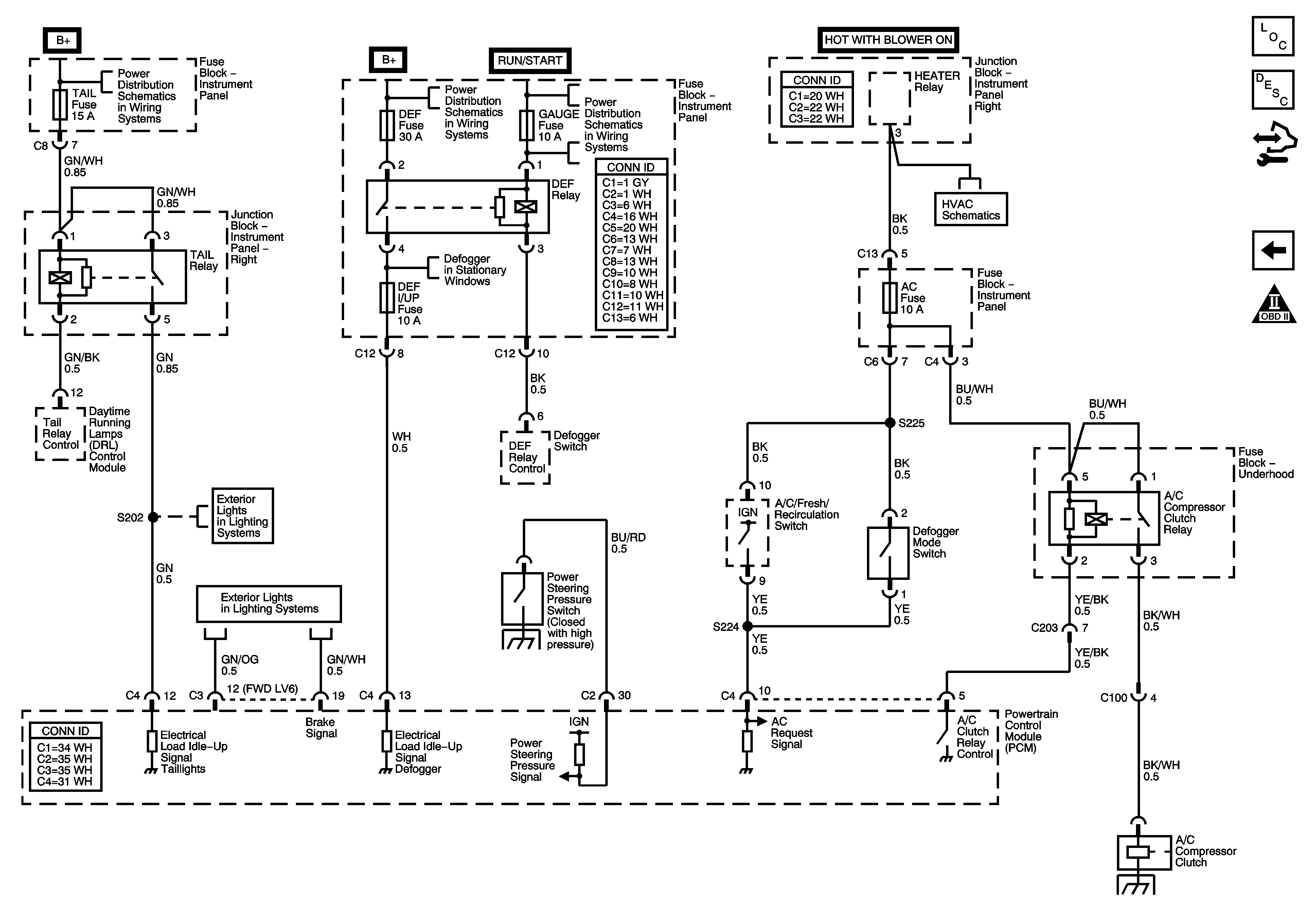
🢒 Powertrain Control Module (PCM) Idle-Up Inputs
Powertrain Control Module (PCM) Idle-Up Inputs
Powertrain Control Module (PCM) Idle-Up Inputs
Master Electrical Component List
Powertrain Control Module Description
Control Module References
Rocker Arm Oil Control Solenoid Valve and Rocker Arm Oil Pressure Switch
Engine Controls Schematic Icons
Power, AM 1, Door, Tail, P/Point, ECU-B, Stop, OBD, INV Fuses
Wash, RR WIP, Wiper, ECU-IG, Gage, Heater, DEF Fuses
Wash, RR WIP, Wiper, ECU-IG, Gage, Heater, DEF Fuses
Blower Controls
06 S Car Figure for Graphic 1424566 Stationary Windows Schematic
Tail Relay, Turn Signal/Headlamp Switch