GM Service Manual Online
For 1990-2009 cars only
Makes
🢒
Pontiac
🢒
2007
🢒
Vibe - FWD
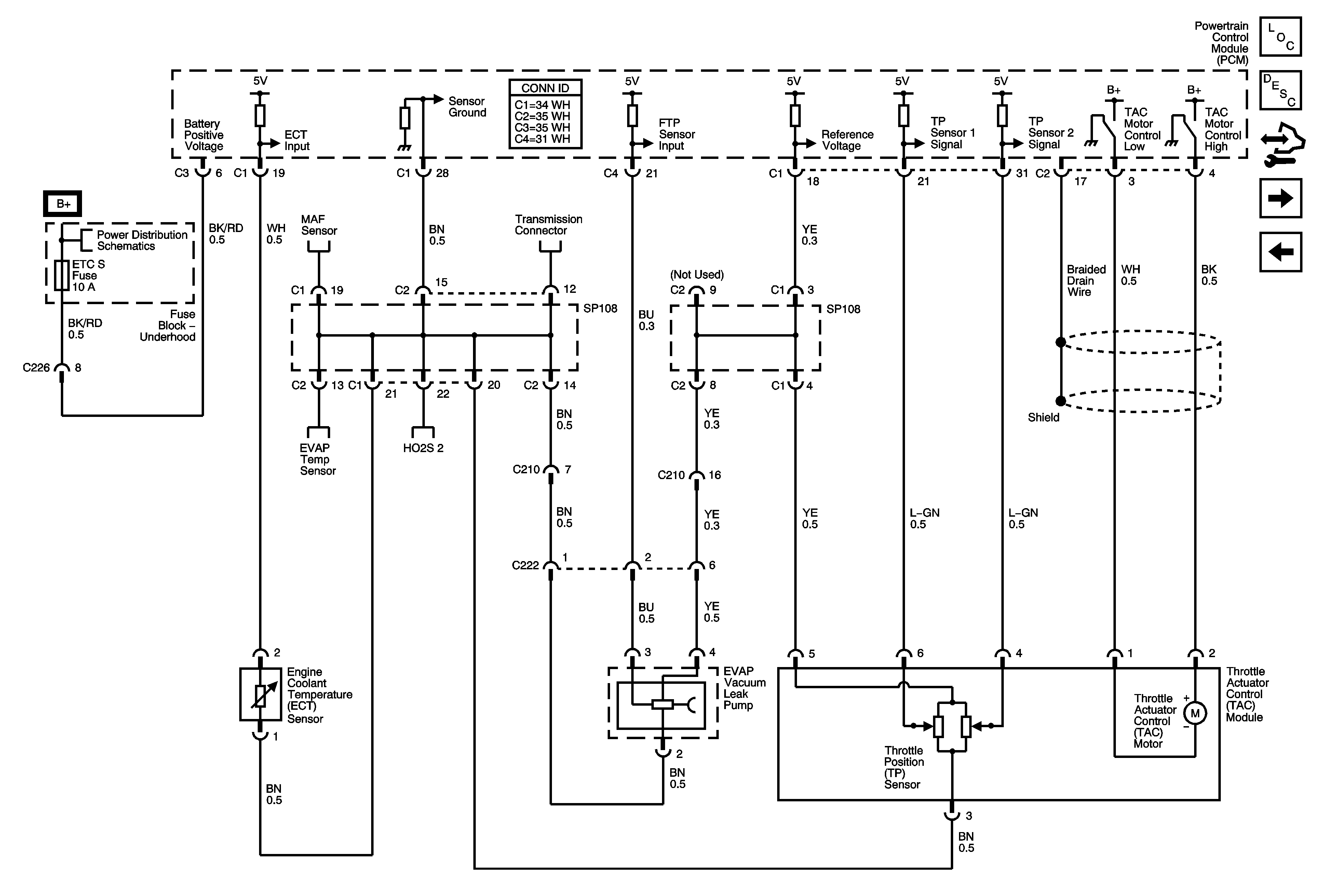
🢒 ECT Sensor, Fuel Tank Pressure (FTP) Sensor, TAC Module, A/C Resistor
ECT Sensor, Fuel Tank Pressure (FTP) Sensor, TAC Module, A/C Resistor
Engine Coolant Temperature (ECT) Sensor, Fuel Tank Pressure (FTP) Sensor, Throttle Actuator Control (TAC) Module
Master Electrical Component List
Powertrain Control Module Description
Control Module References
Mass Air Flow (MAF) Sensor
EVAP System (FWD)
Air Pump, ETCS, Head, Alt S, EFI, Hazard EFT 2 Fuses