GM Service Manual Online
For 1990-2009 cars only
Makes
🢒
Pontiac
🢒
2007
🢒
Vibe - FWD
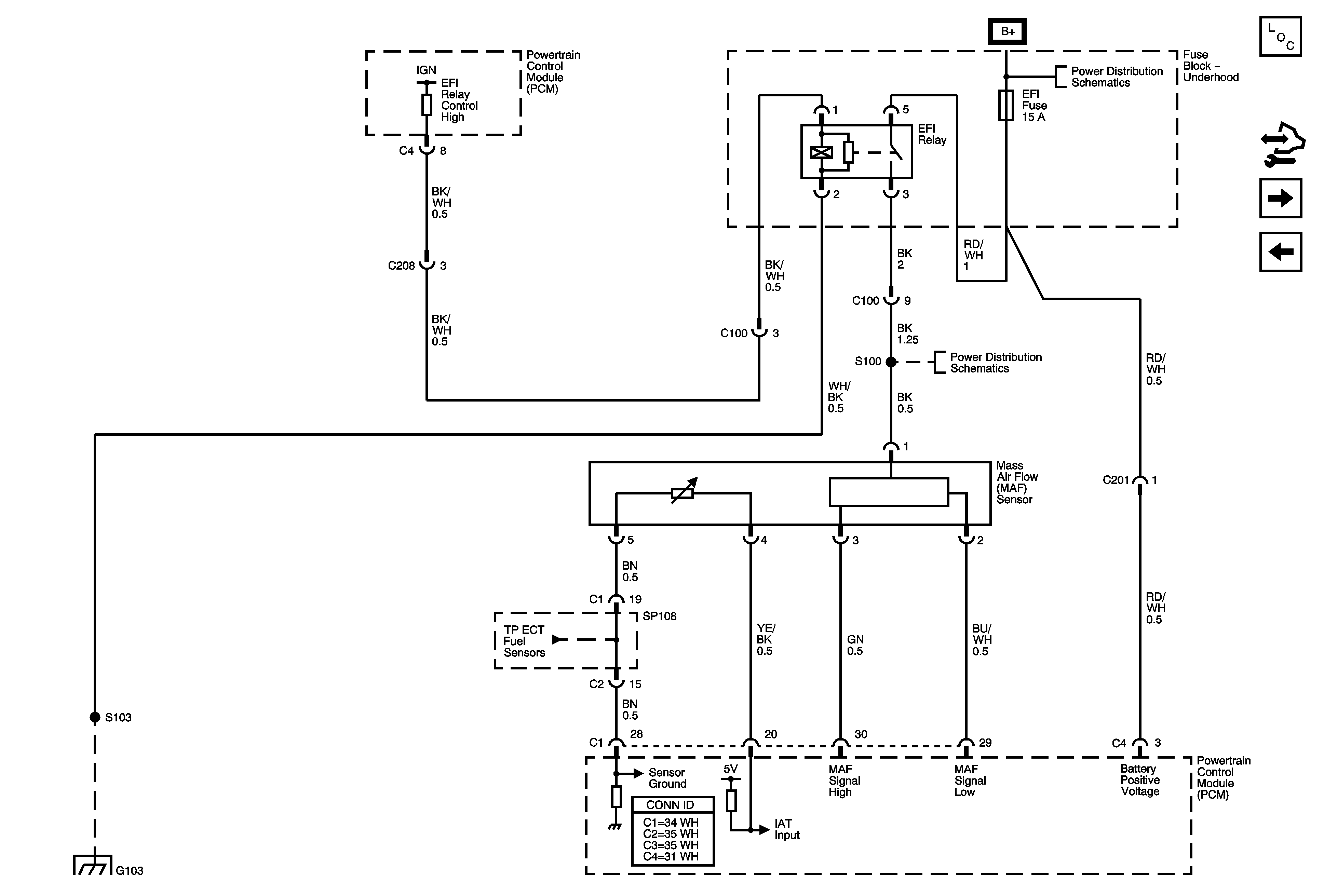
🢒 Mass Air Flow (MAF) Sensor
Mass Air Flow (MAF) Sensor
Mass Air Flow (MAF) Sensor
Master Electrical Component List
Powertrain Control Module Description
Control Module References
KS, CMP Sensor, CKP Sensor, CMP Actuator Solenoid Valve
ECT Sensor, Fuel Tank Pressure (FTP) Sensor, TAC Module, A/C Resistor
Air Pump, ETCS, Head, Alt S, EFI, Hazard EFT 2 Fuses