GM Service Manual Online
For 1990-2009 cars only
Makes
🢒
Pontiac
🢒
2007
🢒
Vibe - FWD
🢒 HO2S (FWD)
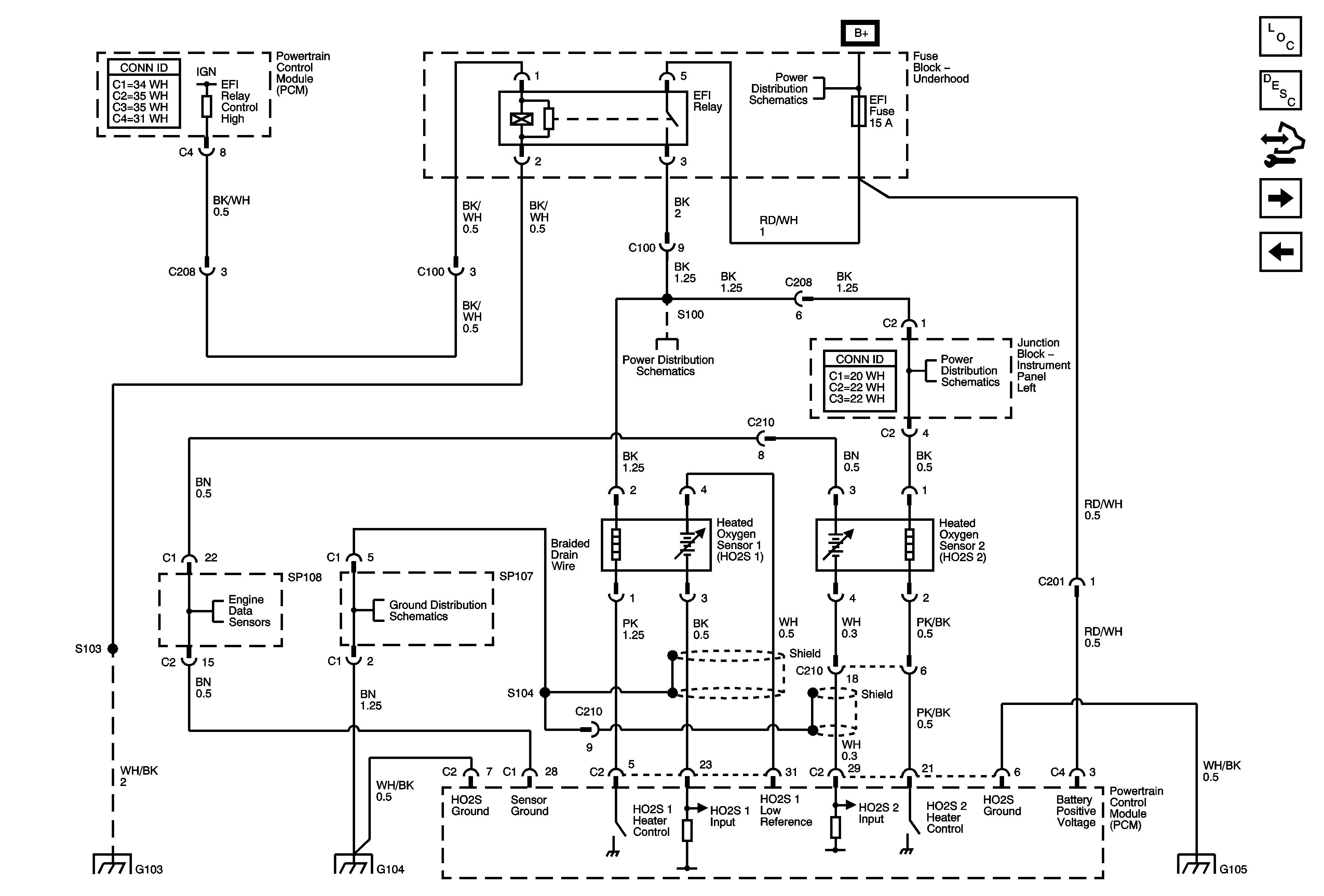
HO2S (FWD)
Heated Oxygen Sensors (HO2S)
Master Electrical Component List
Powertrain Control Module Description
Control Module References
Park/Neutral Position PNP Switch
KS, CMP Sensor, CKP Sensor, CMP Actuator Solenoid Valve
Air Pump, ETCS, Head, Alt S, EFI, Hazard EFT 2 Fuses
Air Pump, ETCS, Head, Alt S, EFI, Hazard EFT 2 Fuses
Air Pump, ETCS, Head, Alt S, EFI, Hazard EFT 2 Fuses
G100, G101, G102