GM Service Manual Online
For 1990-2009 cars only
Makes
🢒
Pontiac
🢒
2007
🢒
Vibe - FWD
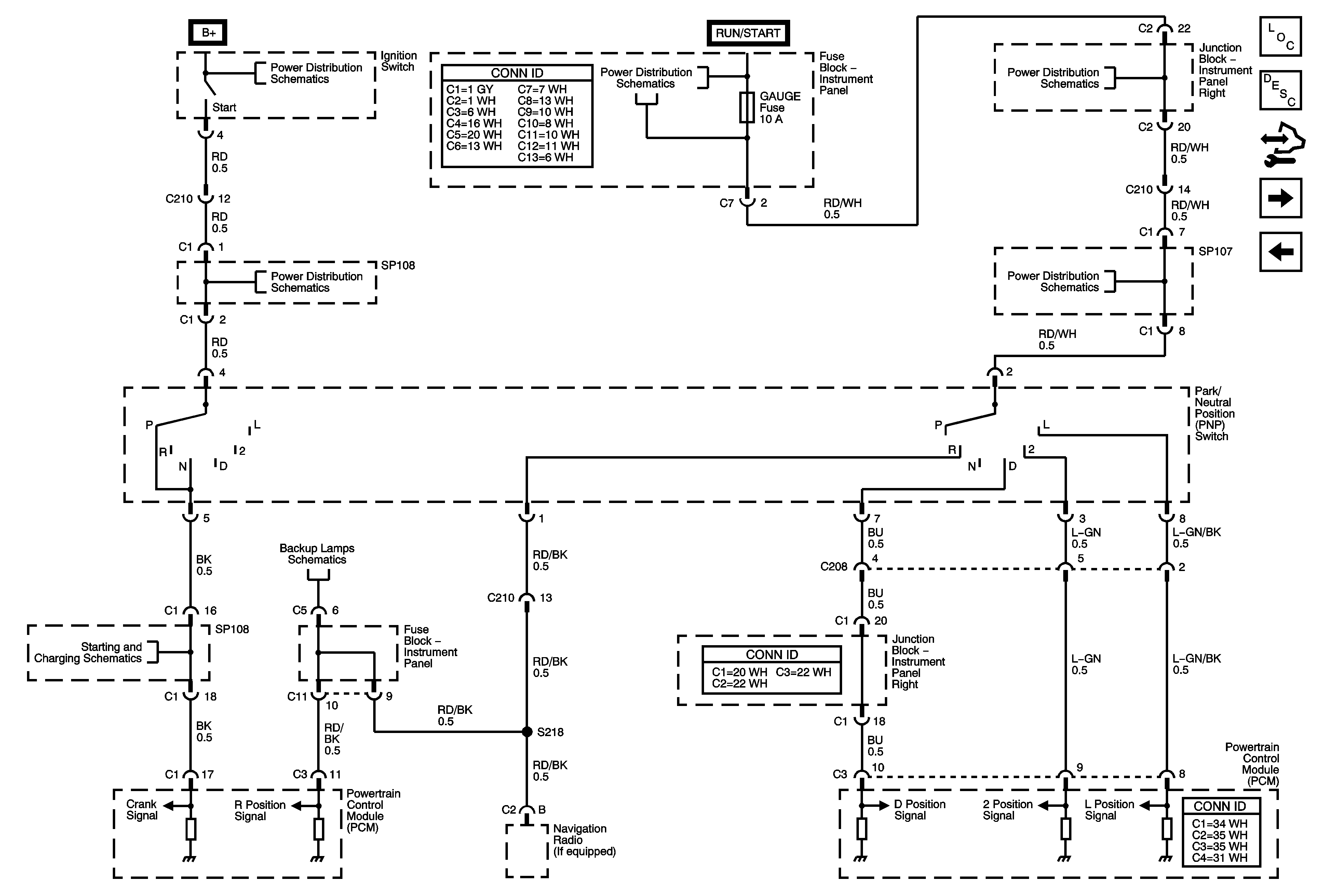
🢒 Park/Neutral Position PNP Switch
Park/Neutral Position PNP Switch
Park/Neutral Position Switch
Master Electrical Component List
Powertrain Control Module Description
Control Module References
PNP Switch, BPMV, Multifunction Alarm Module
HO2S (FWD)
Air Pump, ETCS, Head, Alt S, EFI, Hazard EFT 2 Fuses
Air Pump, ETCS, Head, Alt S, EFI, Hazard EFT 2 Fuses
Air Pump, ETCS, Head, Alt S, EFI, Hazard EFT 2 Fuses
Air Pump, ETCS, Head, Alt S, EFI, Hazard EFT 2 Fuses
Air Pump, ETCS, Head, Alt S, EFI, Hazard EFT 2 Fuses
Starting and Charging Schematics
Backup Lamps