GM Service Manual Online
For 1990-2009 cars only
Makes
🢒
Pontiac
🢒
2007
🢒
Vibe - FWD
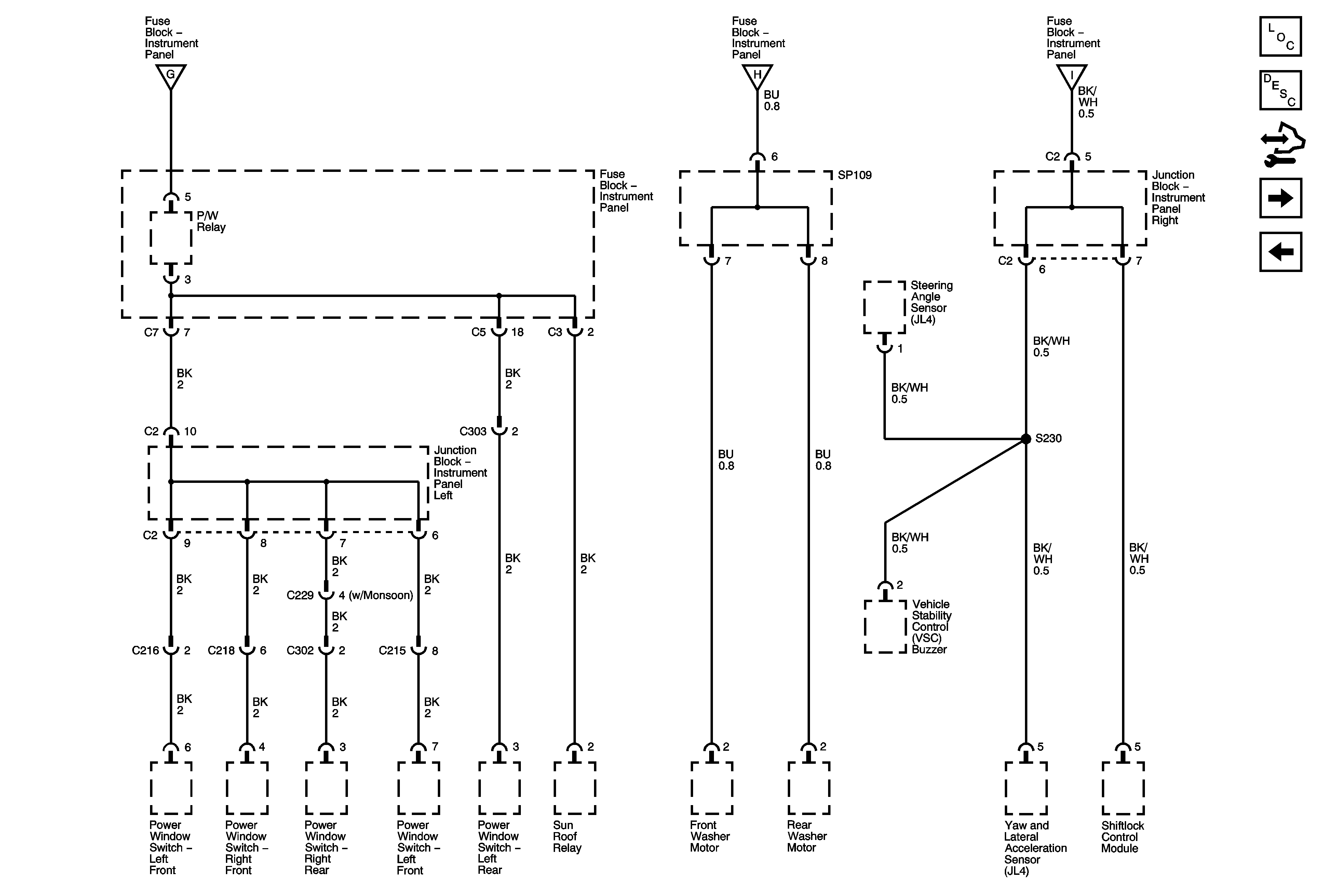
🢒 P/W Relay, SP109, S230
P/W Relay, SP109, S230
P/W Relay, SP109, S230
Master Electrical Component List
Control Module References
Junction Block - Instrument Panel Right
Wash, RRWIP, Wiper, ECU - IG, Gage, Heater, DEF Fuses