GM Service Manual Online
For 1990-2009 cars only
Makes
🢒
Pontiac
🢒
2007
🢒
Vibe - FWD
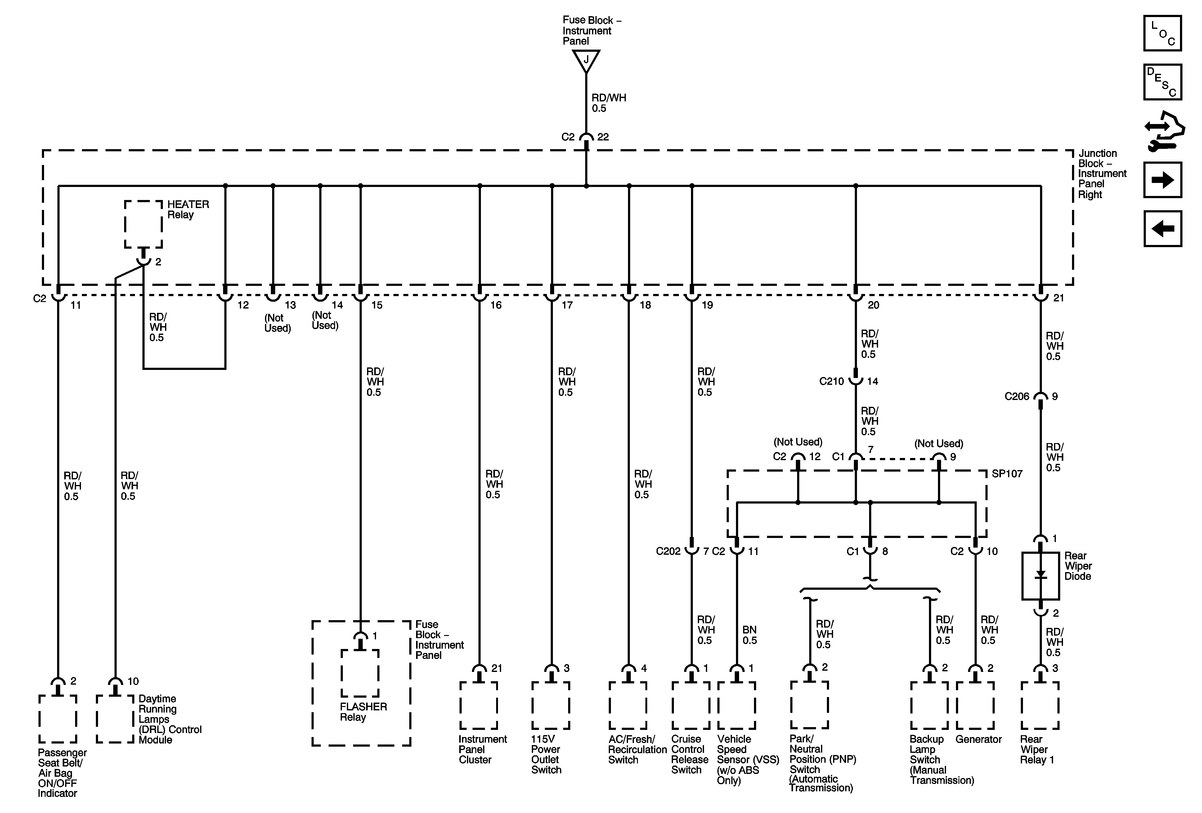
🢒 Junction Block - Instrument Panel Right
Junction Block - Instrument Panel Right
Junction Block - Instrument Panel Right
Master Electrical Component List
Control Module References
Ignition Switch 1 of 2
P/W Relay, SP109, S230