GM Service Manual Online
For 1990-2009 cars only
Makes
🢒
Pontiac
🢒
2008
🢒
Vibe - FWD
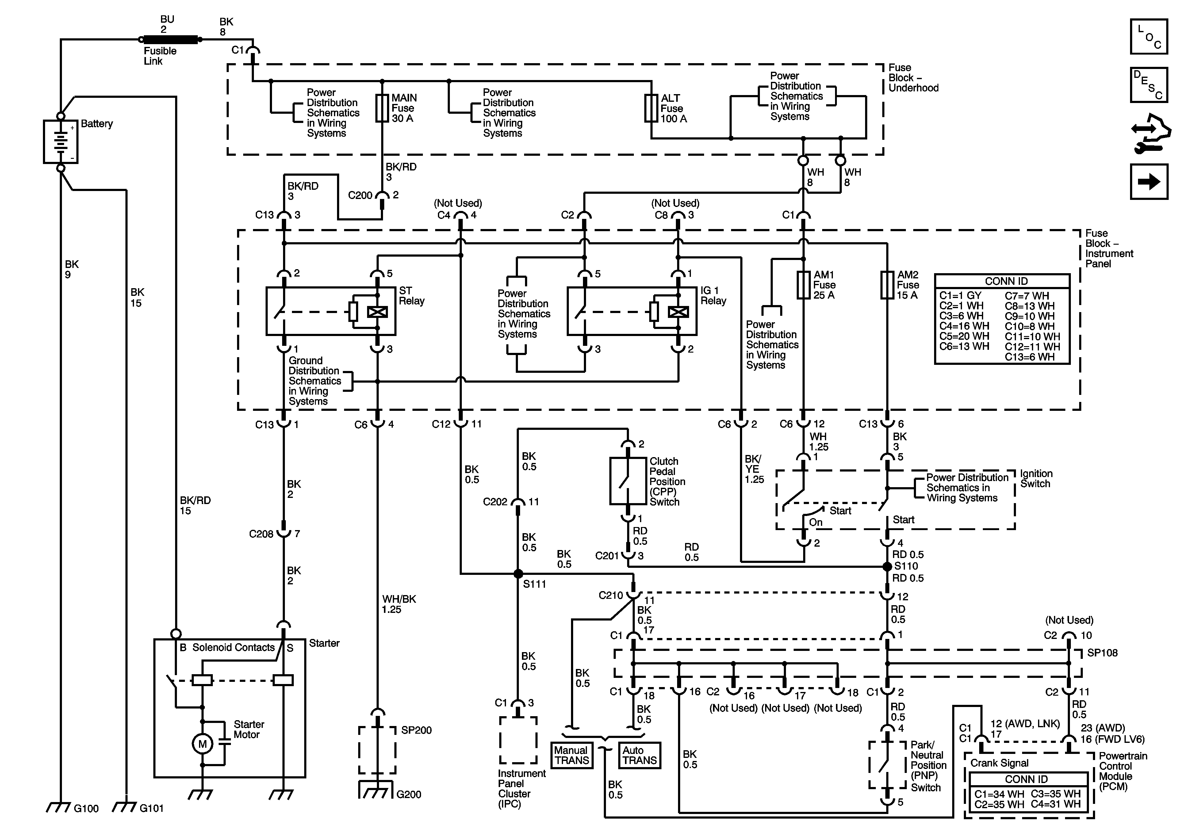
🢒 Starting System
Starting System
Starting System
Master Electrical Component List
Starting System Description and Operation
Control Module References
Starting System with Theft Deterrent
Horn, Dome, Main, Amp, OnStar Fuses
Horn, Dome, Main, Amp, OnStar Fuses
Alt, ABS 1 and 2, RDI Fan, Fog Fuses
Fuse Block - Instrument Panel
Wash, RR WIP, Wiper, ECU-IG, Gage, Heater, DEF Fuses
Power, AM 1, Door, Tail, P/Point, ECU-B, Stop, OBD, INV Fuses
Ignition Switch 1 of 2
SP200 and G200