GM Service Manual Online
For 1990-2009 cars only
Makes
🢒
Pontiac
🢒
2008
🢒
Vibe - FWD
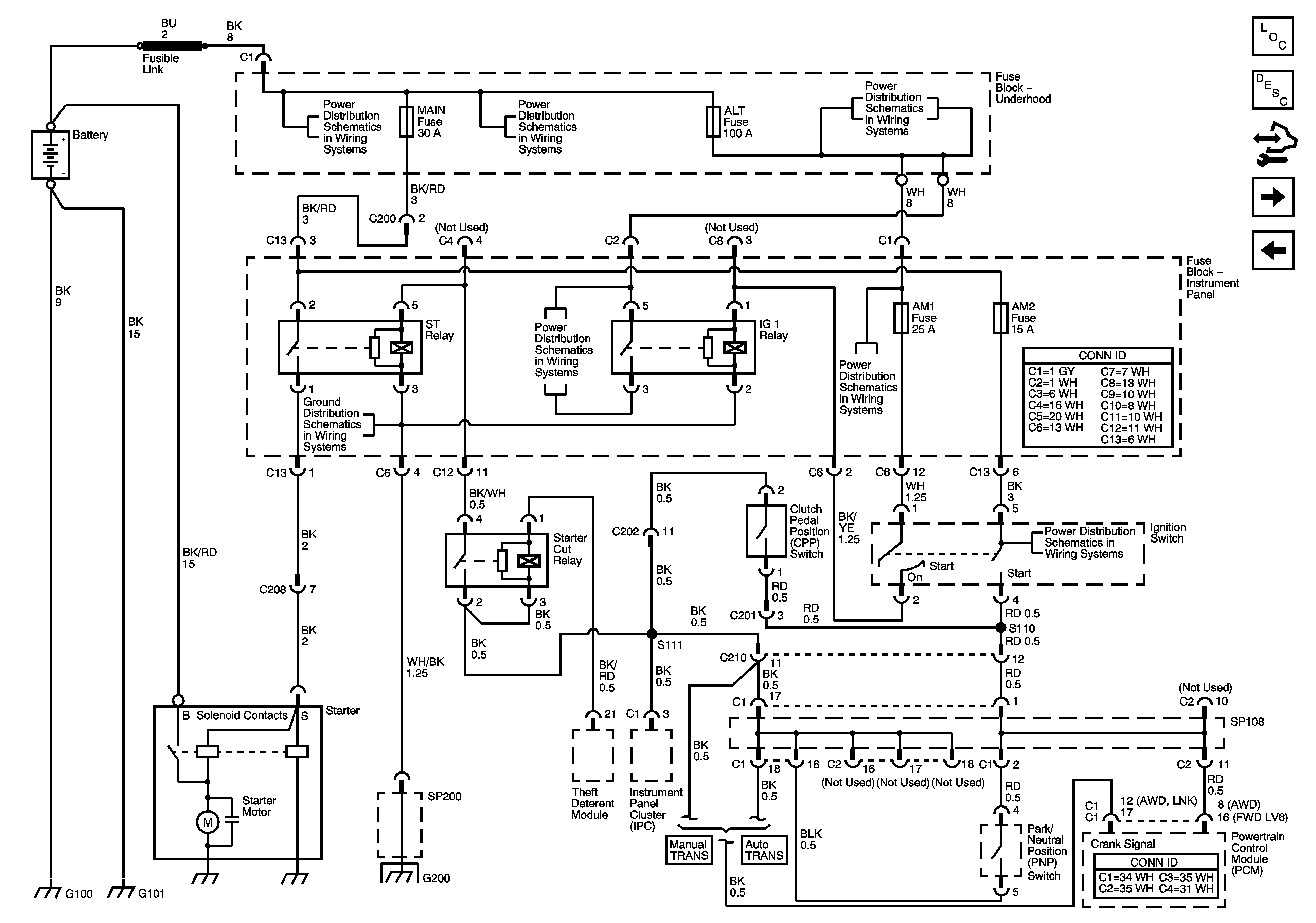
🢒 Starting System with Theft Deterrent
Starting System with Theft Deterrent
Starting System with Theft Deterrent
Master Electrical Component List
Starting System Description and Operation
Control Module References
Charging System
Starting System
Horn, Dome, Main, Amp, OnStar Fuses
Horn, Dome, Main, Amp, OnStar Fuses
Alt, ABS 1 and 2, RDI Fan, Fog Fuses
Fuse Block - Instrument Panel
Wash, RR WIP, Wiper, ECU-IG, Gage, Heater, DEF Fuses
Power, AM 1, Door, Tail, P/Point, ECU-B, Stop, OBD, INV Fuses
Ignition Switch 1 of 2
SP200 and G200