GM Service Manual Online
For 1990-2009 cars only
Makes
🢒
Pontiac
🢒
2008
🢒
Vibe - FWD
🢒 Heated Oxygen Sensors (HO2S) (AWD)
Heated Oxygen Sensors (HO2S) (AWD)
Heated Oxygen Sensors (HO2S) (AWD)
Master Electrical Component List
Control Module References
Park/Neutral Position Switch
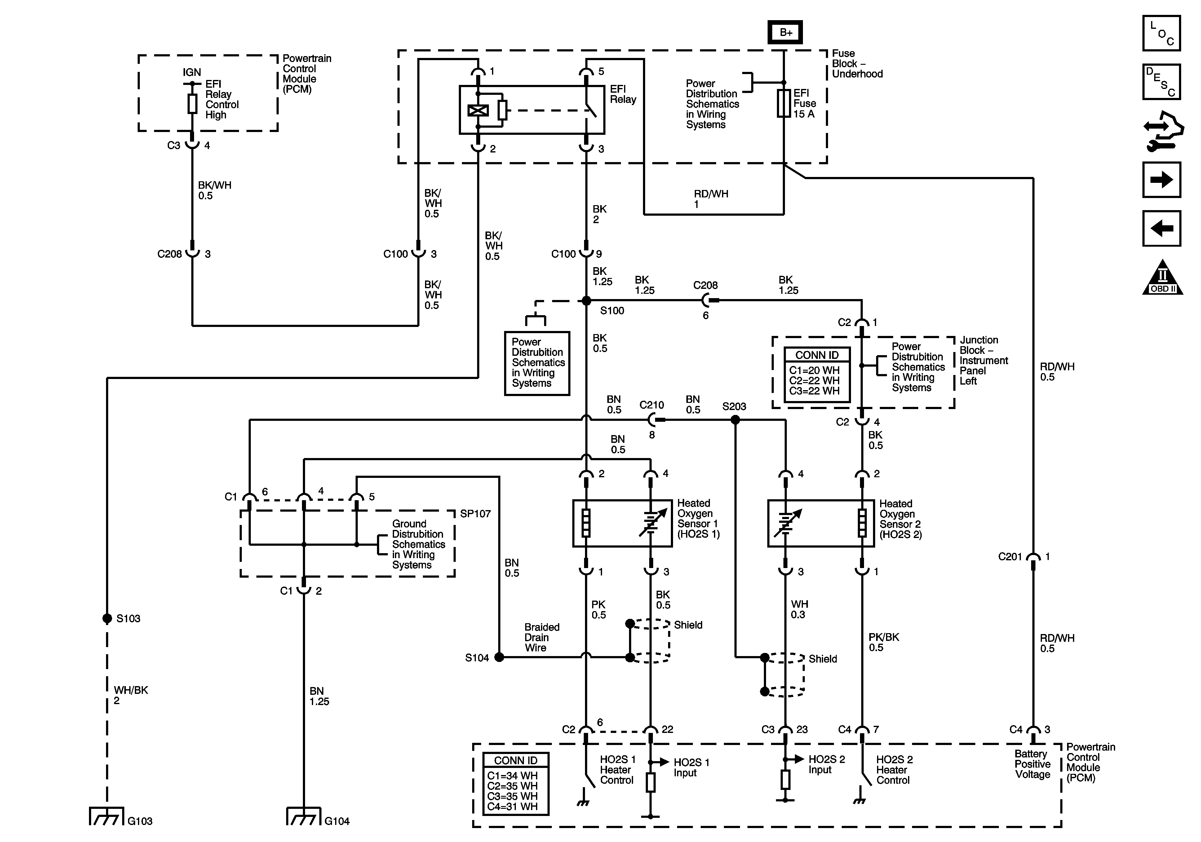
Heated Oxygen Sensors (HO2S) (FWD)
Engine Controls Schematic Icons
Air Pump, ETCS, Head, Alt S, EFI, Hazard EFI 2 Fuses
Air Pump, ETCS, Head, Alt S, EFI, Hazard EFI 2 Fuses
S100
SP107, SP108, G104
S103, G103
SP107, SP108, G104