GM Service Manual Online
For 1990-2009 cars only
Makes
🢒
Pontiac
🢒
2008
🢒
Vibe - FWD
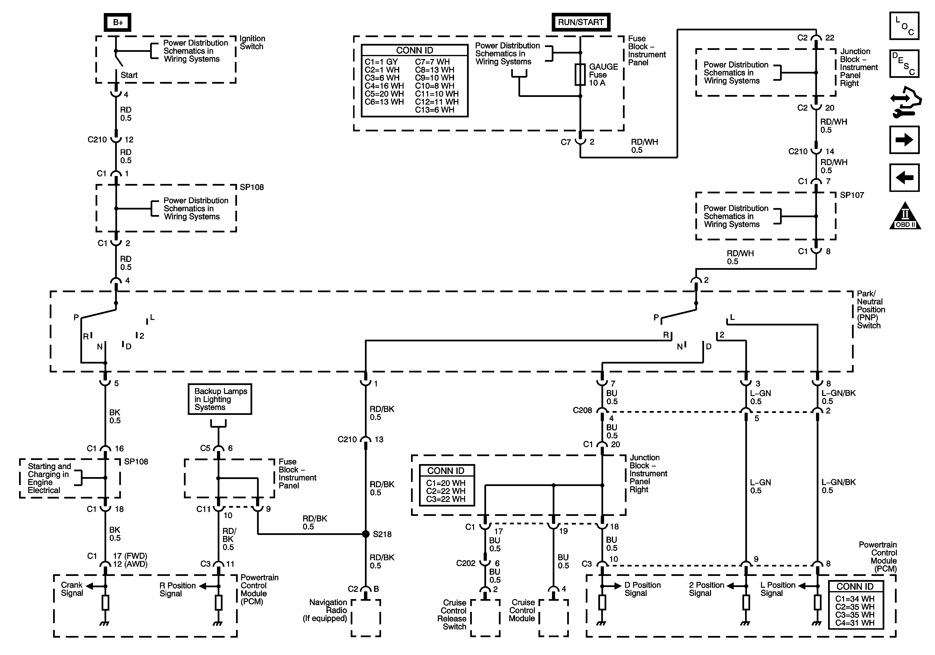
🢒 Park/Neutral Position Switch
Park/Neutral Position Switch
Park/Neutral Position Switch
Master Electrical Component List
Control Module References
Park/Neutral Position Switch, Brake Pressure Modulator Valve (BPMV), Multifunction Alarm Module
Heated Oxygen Sensors (HO2S) (AWD)
Engine Controls Schematic Icons
Ignition Switch 1 of 2
Wash, RR WIP, Wiper, ECU-IG, Gage, Heater, DEF Fuses
P/W Relay, SP109, S230
Air Pump, ETCS, Head, Alt S, EFI, Hazard EFI 2 Fuses
Air Pump, ETCS, Head, Alt S, EFI, Hazard EFI 2 Fuses
Back Up Lamps
Starting System