GM Service Manual Online
For 1990-2009 cars only
Makes
🢒
Pontiac
🢒
2008
🢒
Vibe - FWD
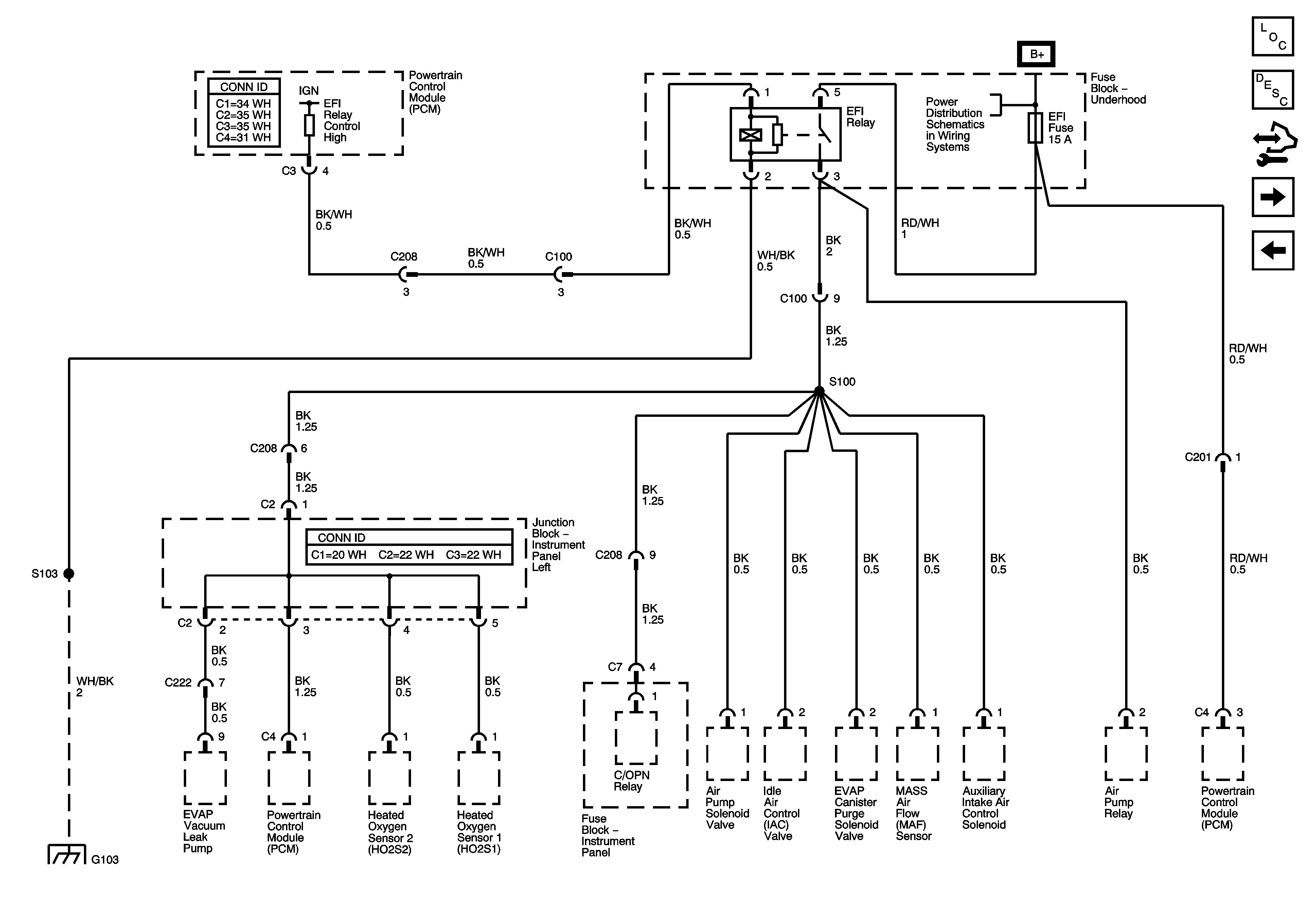
🢒 EFI Relay S100
EFI Relay S100
EFI Relay S100
Master Electrical Component List
Control Module References
Data Link Connector (DLC)
Powertrain Control Module (PCM) Power and Ground
Air Pump, ETCS, Head, Alt S, EFI, Hazard EFI 2 Fuses
S103, G103