GM Service Manual Online
For 1990-2009 cars only
Makes
🢒
Pontiac
🢒
2008
🢒
Vibe - FWD
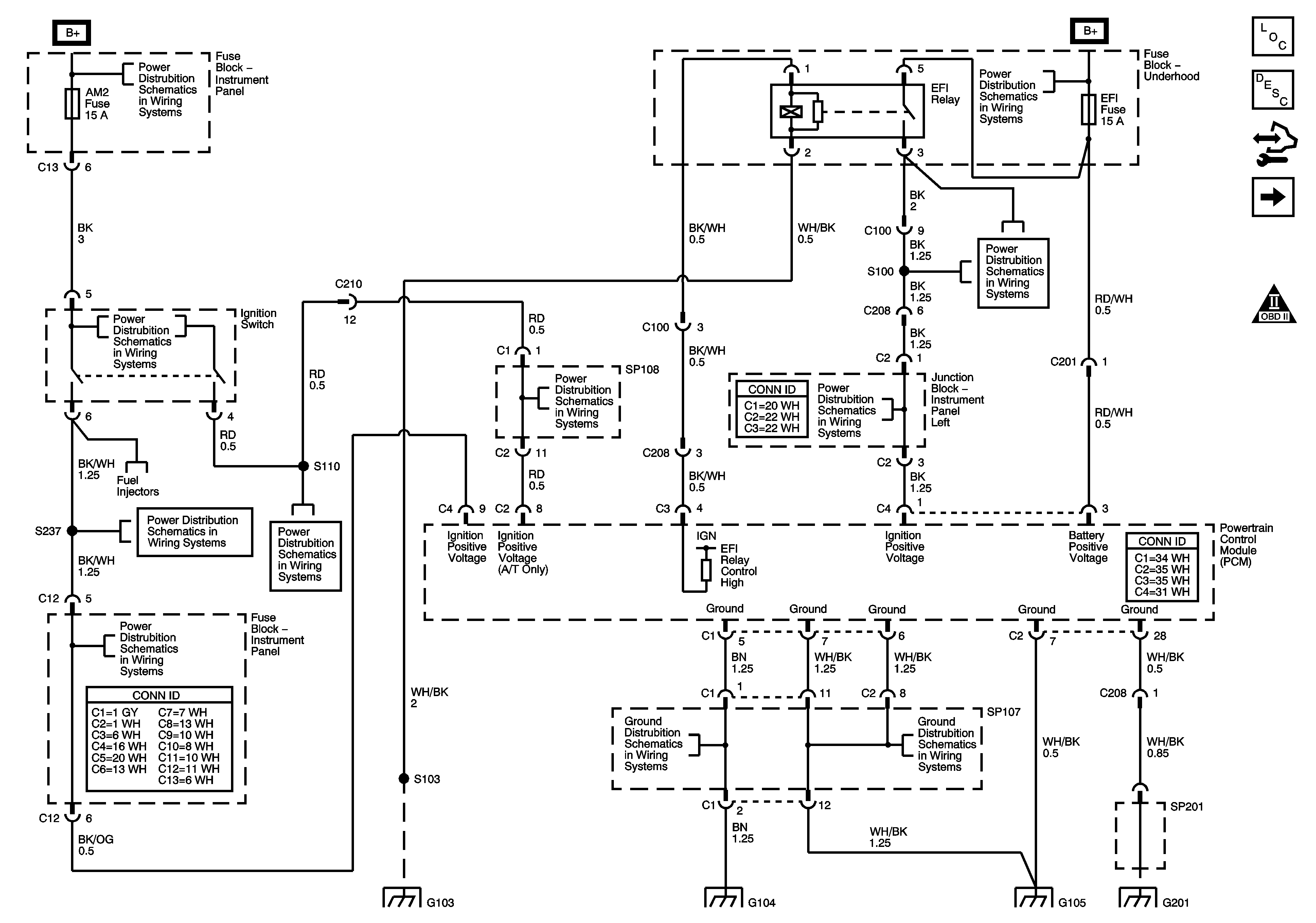
🢒 Powertrain Control Module (PCM) Power and Ground
Powertrain Control Module (PCM) Power and Ground
Powertrain Control Module (PCM) Power and Ground
Master Electrical Component List
Powertrain Control Module Description
Control Module References
EFI Relay S100
Engine Controls Schematic Icons
Horn, Dome, Main, Amp, OnStar Fuses
Air Pump, ETCS, Head, Alt S, EFI, Hazard EFI 2 Fuses
Air Pump, ETCS, Head, Alt S, EFI, Hazard EFI 2 Fuses
Ignition Switch 1 of 2
Air Pump, ETCS, Head, Alt S, EFI, Hazard EFI 2 Fuses
S100
Air Pump, ETCS, Head, Alt S, EFI, Hazard EFI 2 Fuses
Air Pump, ETCS, Head, Alt S, EFI, Hazard EFI 2 Fuses
Air Pump, ETCS, Head, Alt S, EFI, Hazard EFI 2 Fuses
SP107, SP108, G104
SP107, SP108, G104
S103, G103
SP107, SP108, G104
S105, G105, G106, G107, G108
SP201 and G201