GM Service Manual Online
For 1990-2009 cars only
Makes
🢒
Pontiac
🢒
2008
🢒
Vibe - FWD
🢒 Secondary Air Injection (AIR) System
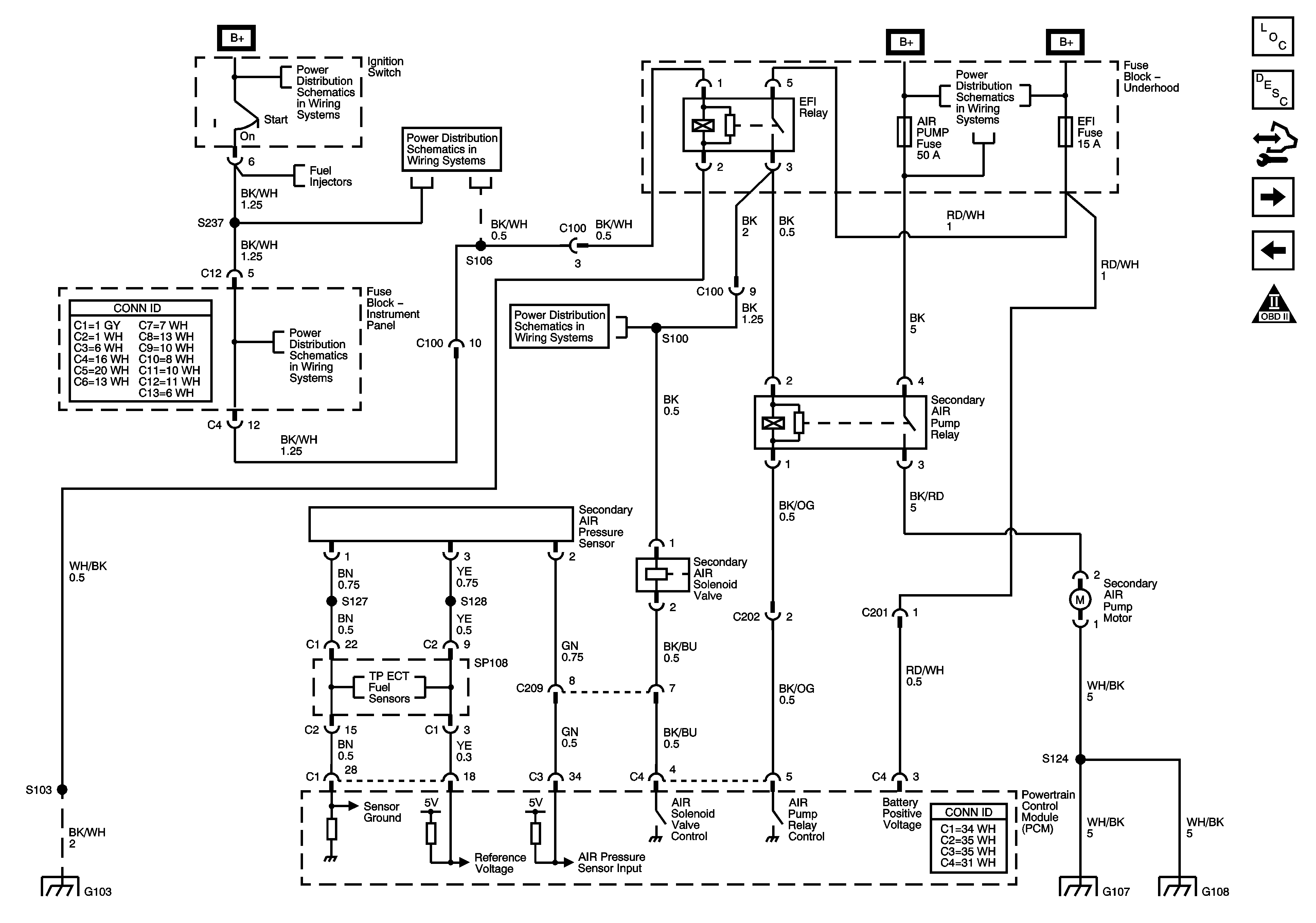
Secondary Air Injection (AIR) System
AIR System
Master Electrical Component List
Secondary Air Injection System Description
Control Module References
Evaporative Emission (EVAP) System
Ignition Coils
Engine Controls Schematic Icons
Ignition Switch 1 of 2
Ignition Switch 1 of 2
Air Pump, ETCS, Head, Alt S, EFI, Hazard EFI 2 Fuses
Air Pump, ETCS, Head, Alt S, EFI, Hazard EFI 2 Fuses
Air Pump, ETCS, Head, Alt S, EFI, Hazard EFI 2 Fuses
Engine Coolant Temperature (ECT) Sensor, Fuel Tank Pressure (FTP) Sensor, Throttle Position (TP) Sensor, A/C Resistor
S103, G103
S105, G105, G106, G107, G108
S105, G105, G106, G107, G108