GM Service Manual Online
For 1990-2009 cars only
Makes
🢒
Pontiac
🢒
2004
🢒
Wave
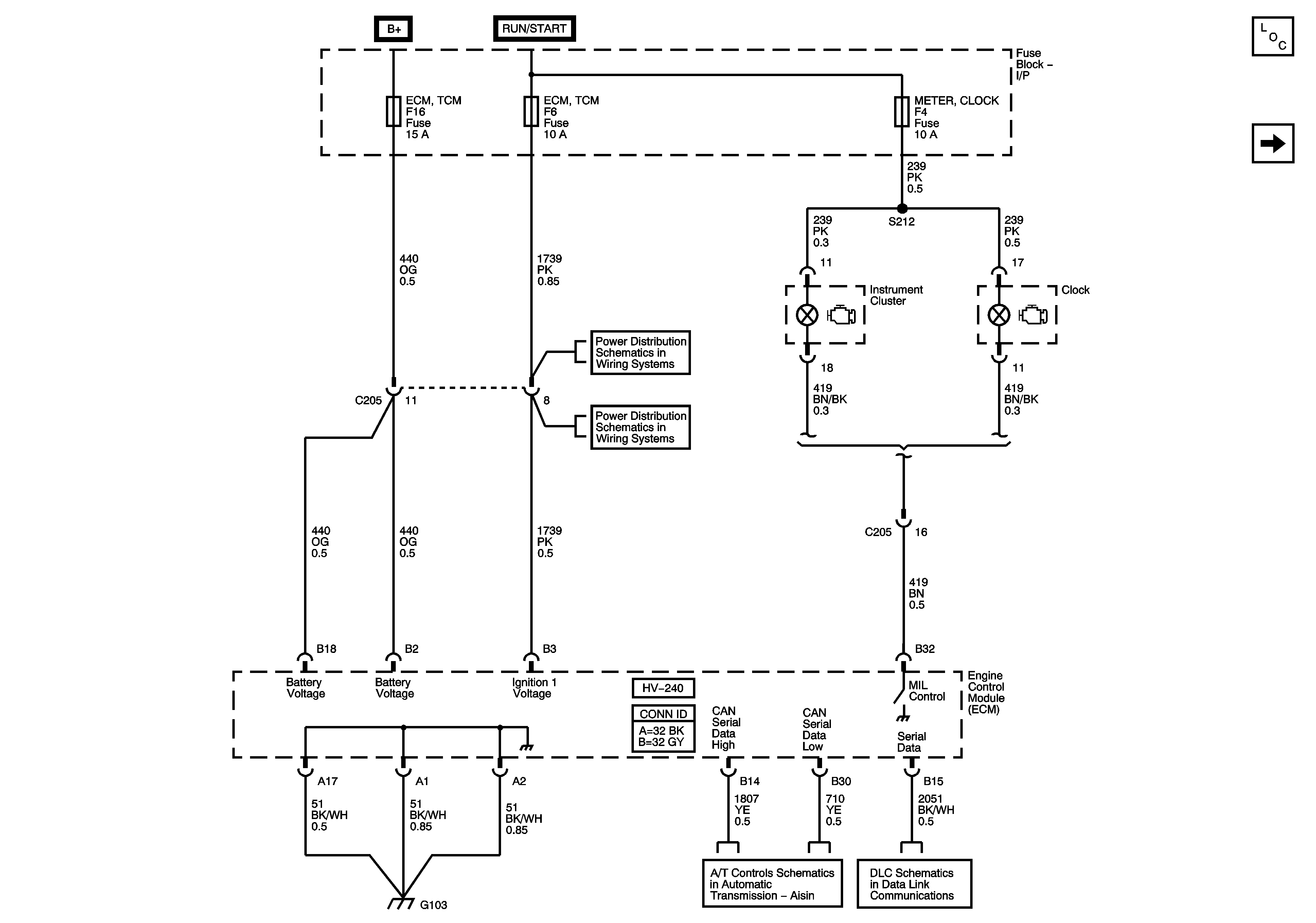
🢒 Module Power, Ground, Serial Data, MIL
Module Power, Ground, Serial Data, MIL
Module Power, Ground, Serial Data, MIL
Master Electrical Component List
Engine Data Sensors - Pressure and Temperature
Underhood Fuse Block - I/P Fuse, I/P Fuse Block - Horn, Stoplamp, Meter Hazard, Door Lock RKE, ECM TCM, and Clock Audio Fuses
Underhood Fuse Block - I/P Fuse, I/P Fuse Block - Horn, Stoplamp, Meter Hazard, Door Lock RKE, ECM TCM, and Clock Audio Fuses
DLC - 1.4L, 1.5L, 1.6L
Module Power, Ground, Malfunction Indicator Lamp (MIL), Hold Lamp and Serial Data