GM Service Manual Online
For 1990-2009 cars only
Makes
🢒
Pontiac
🢒
2004
🢒
Wave
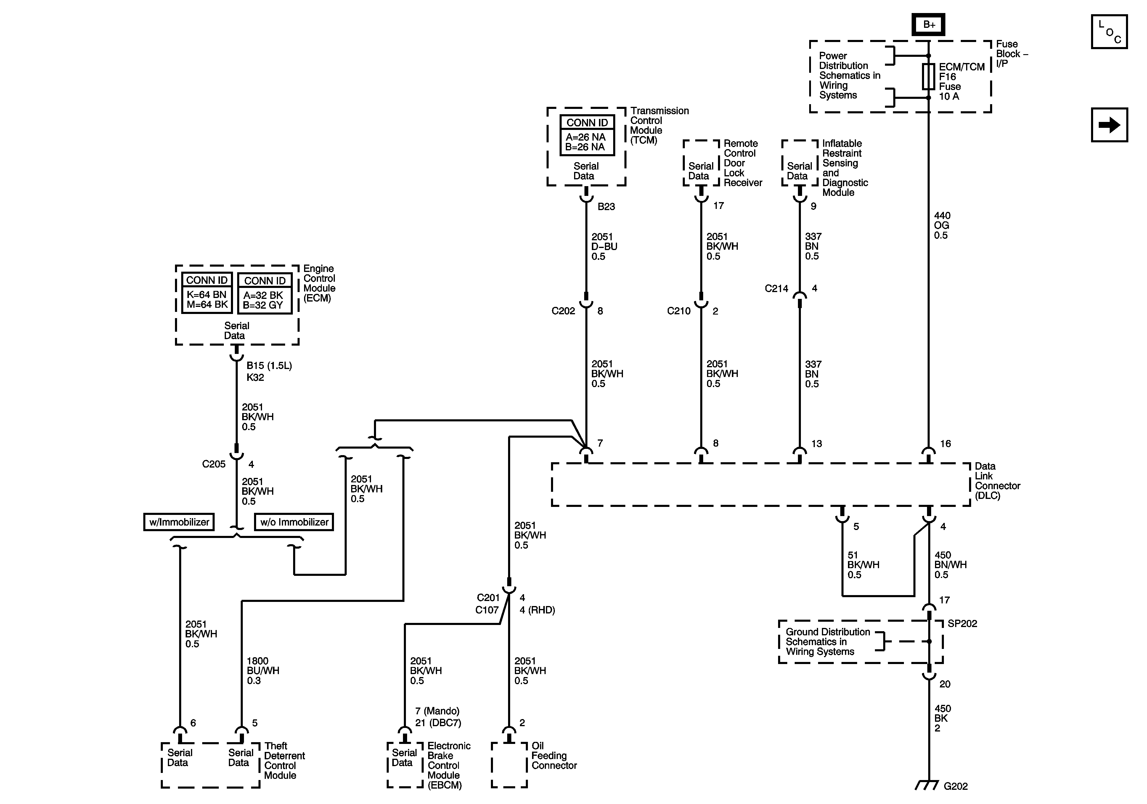
🢒 DLC - 1.4L, 1.5L, 1.6L
DLC - 1.4L, 1.5L, 1.6L
1.4L, 1.5L, 1.6L
Master Electrical Component List
DLC - 1.2L
Underhood Fuse Block - I/P Fuse, I/P Fuse Block - Horn, Stoplamp, Meter Hazard, Door Lock RKE, ECM TCM, and Clock Audio Fuses
G202 1 of 2