GM Service Manual Online
For 1990-2009 cars only
Makes
🢒
Pontiac
🢒
2004
🢒
Wave
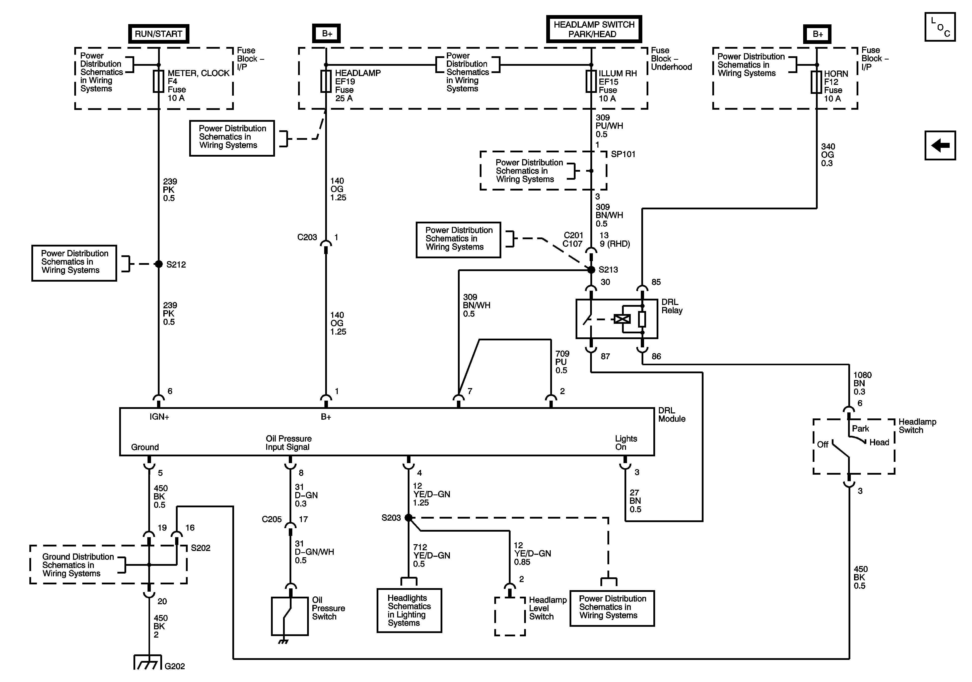
🢒 Daytime Running Lights - Scandinavia
Daytime Running Lights - Scandinavia
Daytime Running Lights - Schandinavia
Master Electrical Component List
Daytime Running Lights - NA
Underhood Fuse Block - IGN 1 Fuse, Ignition Switch, I/P Fuse Block, - CIGAR JACK, AUDIO CLOCK, METER CLOCK, TSIG, BACKUP LAMP, and AIR BAG Fuses
Underhood Fuse Block - A/C COMP, HEADLAMP, H/L LOW RH, H/L LOW LH, H/L HI LH, H/L HI RH Fuses
Underhood Fuse Block - A/C COMP, HEADLAMP, H/L LOW RH, H/L LOW LH, H/L HI LH, H/L HI RH Fuses
Underhood Fuse Block - ABS, Blower, Horn, Sunroof, Defog Fuses
Underhood Fuse Block - ILLUM LAMP, ILLUM RH and LH Fuses
Underhood Fuse Block - IGN 1 Fuse, Ignition Switch, I/P Fuse Block, - CIGAR JACK, AUDIO CLOCK, METER CLOCK, TSIG, BACKUP LAMP, and AIR BAG Fuses
Underhood Fuse Block - ILLUM LAMP, ILLUM RH and LH Fuses
G202 1 of 2
Headlamps
Underhood Fuse Block - A/C COMP, HEADLAMP, H/L LOW RH, H/L LOW LH, H/L HI LH, H/L HI RH Fuses
G202 1 of 2