GM Service Manual Online
For 1990-2009 cars only
Makes
🢒
Pontiac
🢒
2004
🢒
Wave
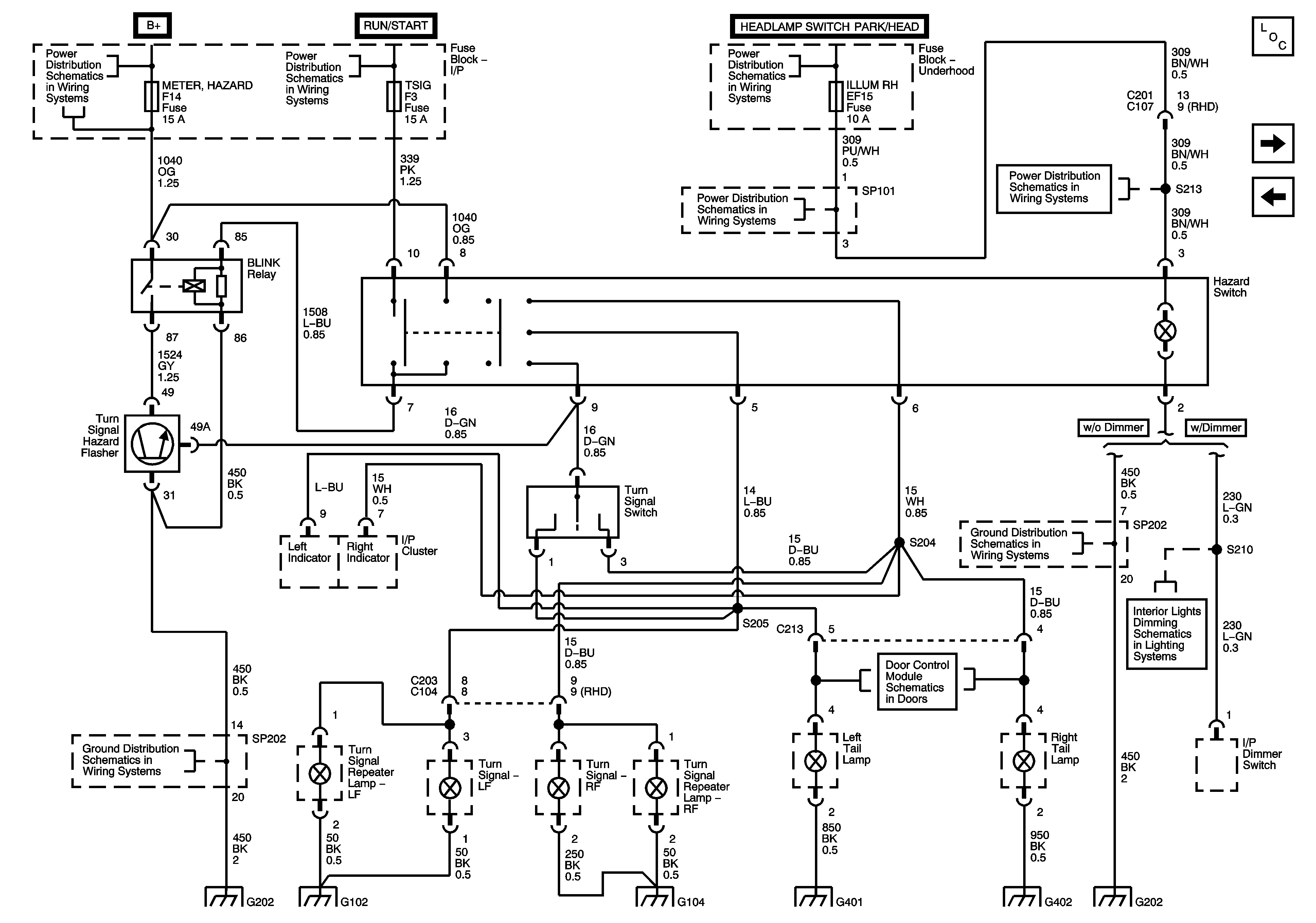
🢒 Turn Hazzard Lamps
Turn Hazzard Lamps
Turn Hazard Lamps
Master Electrical Component List
Backup Lamps
Stoplamps CHMSL
Underhood Fuse Block - I/P Fuse, I/P Fuse Block - Horn, Stoplamp, Meter Hazard, Door Lock RKE, ECM TCM, and Clock Audio Fuses
Underhood Fuse Block - IGN 1 Fuse, Ignition Switch, I/P Fuse Block, - CIGAR JACK, AUDIO CLOCK, METER CLOCK, TSIG, BACKUP LAMP, and AIR BAG Fuses
Underhood Fuse Block - ILLUM LAMP, ILLUM RH and LH Fuses
Underhood Fuse Block - ILLUM LAMP, ILLUM RH and LH Fuses
Underhood Fuse Block - ILLUM LAMP, ILLUM RH and LH Fuses
G202 1 of 2
G202 1 of 2
Content Theft Deterrent and Remote Keyless Entry Power and Ground
Interior Lights I/P W/Dimmer