GM Service Manual Online
For 1990-2009 cars only
Makes
🢒
Pontiac
🢒
2004
🢒
Wave
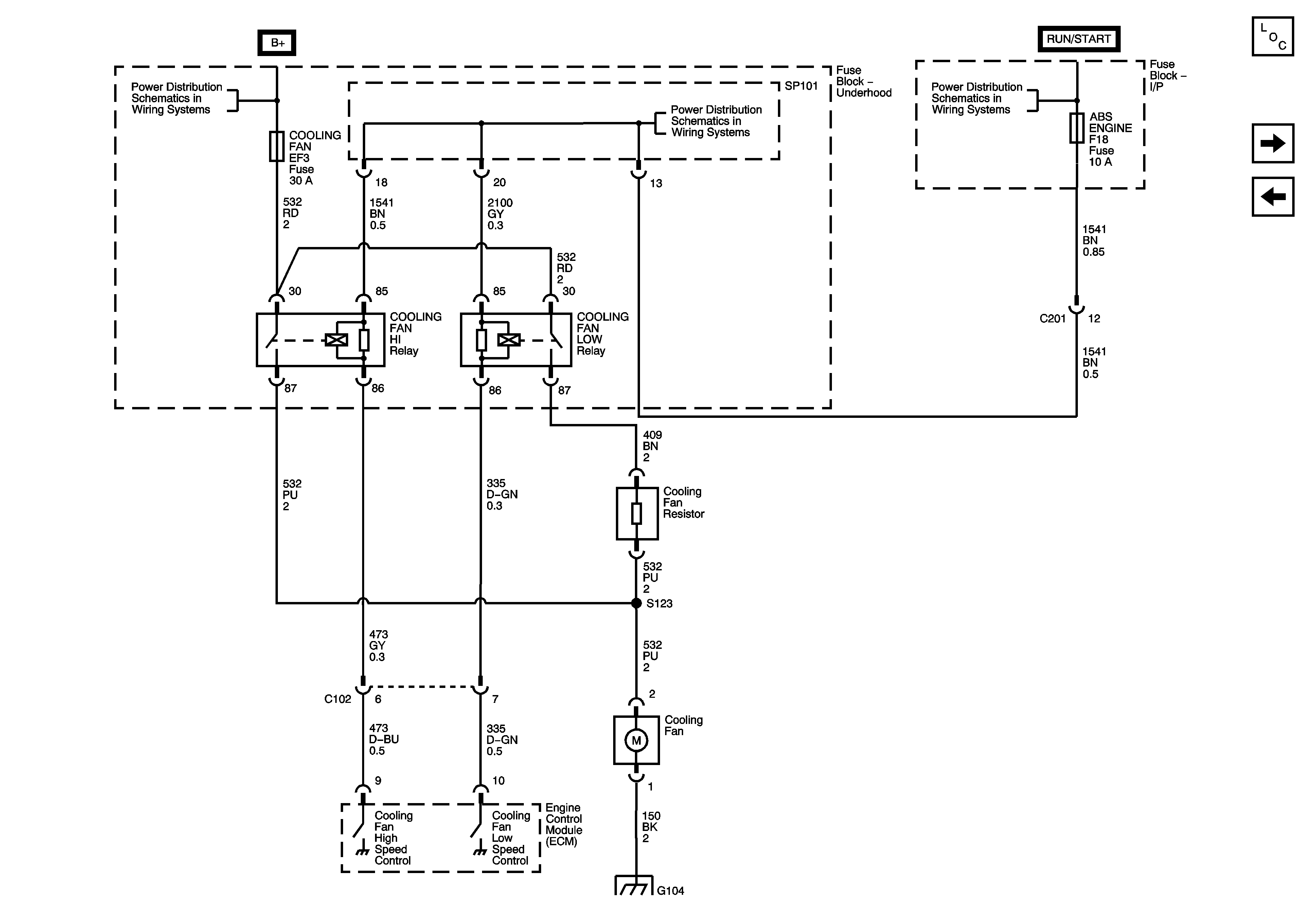
🢒 Single Cooling Fan - 1.4L SOHC, 1.5L
Single Cooling Fan - 1.4L SOHC, 1.5L
Single Cooling Fan - 1.4L SOHC, 1.5L
Master Electrical Component List
Dual Cooling Fans - 1.4L DOHC, 1.6L
Single Cooling Fan - 1.2L
Underhood Fuse Block - Power Window, Cooling Fan Low Relay, Main Relay (1.2L), and Fuel Pump Fuses
Underhood Fuse Block - Power Window, Cooling Fan Low Relay, Main Relay (1.2L), and Fuel Pump Fuses
Fuse Block Underhood - Power Winow Relay, Cooling Fan Relays