GM Service Manual Online
For 1990-2009 cars only
Makes
🢒
Pontiac
🢒
2004
🢒
Wave
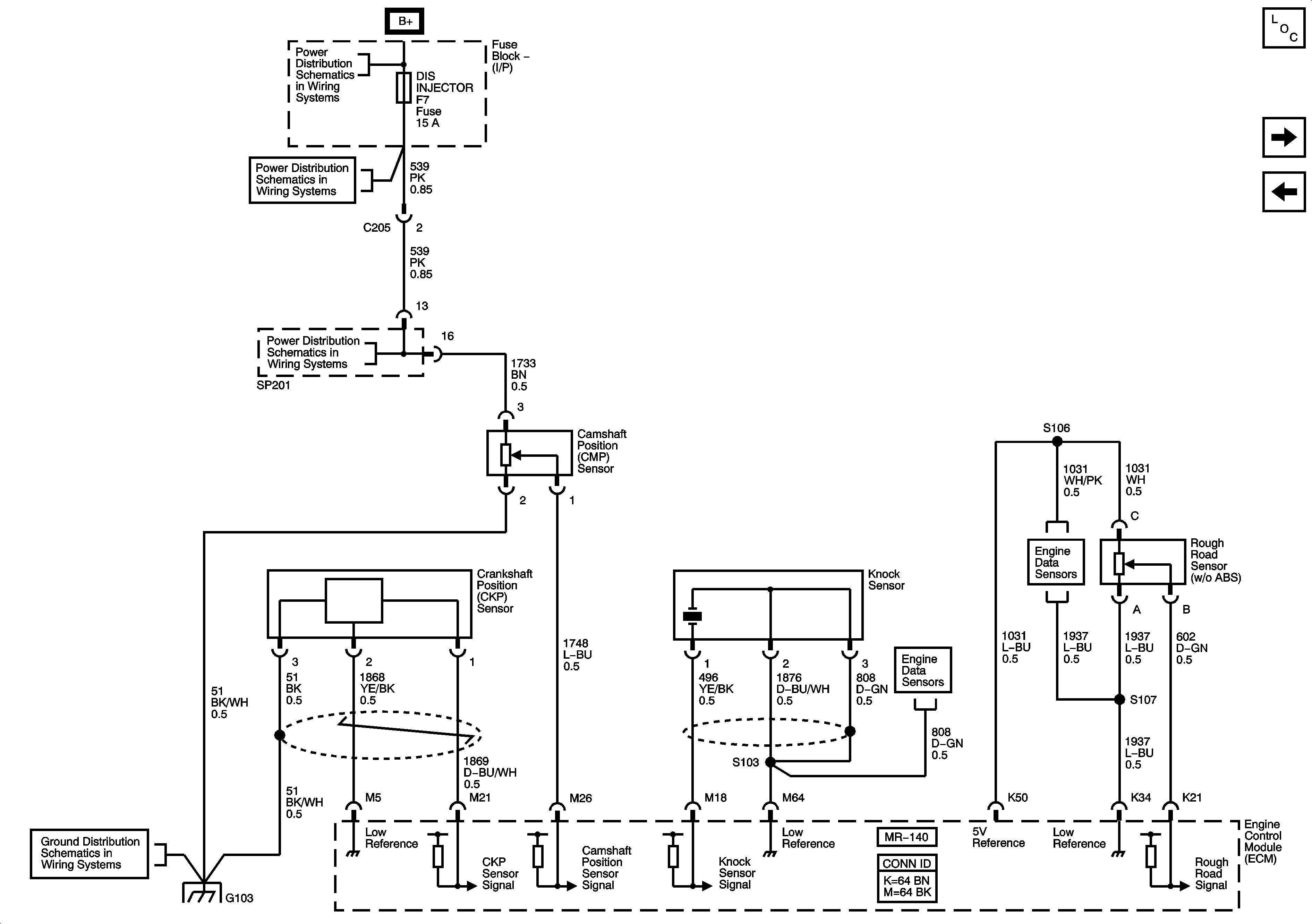
🢒 Ignition Contorls - Sensors
Ignition Contorls - Sensors
Ignition Controls - Sensors
Master Electrical Component List
Fuel Controls - Fuel Pump Controls and Fuel Injectors
Ignition Controls - Ignition System
Underhood Fuse Block - IGN 2 Fuse, Ignition Switch, I/P Fuse Block, - DIS INJECTOR, ECM TCM, WIPER WASHER, and HVAC BLOWER Fuses
Underhood Fuse Block - IGN 2 Fuse, Ignition Switch, I/P Fuse Block, - DIS INJECTOR, ECM TCM, WIPER WASHER, and HVAC BLOWER Fuses
Underhood Fuse Block - IGN 2 Fuse, Ignition Switch, I/P Fuse Block, - DIS INJECTOR, ECM TCM, WIPER WASHER, and HVAC BLOWER Fuses
Engine Data Sensors - Pressure and Temperature
Engine Data Sensors - Pressure and Temperature
G103 (MR-140)