GM Service Manual Online
For 1990-2009 cars only
Makes
🢒
Pontiac
🢒
2004
🢒
Wave
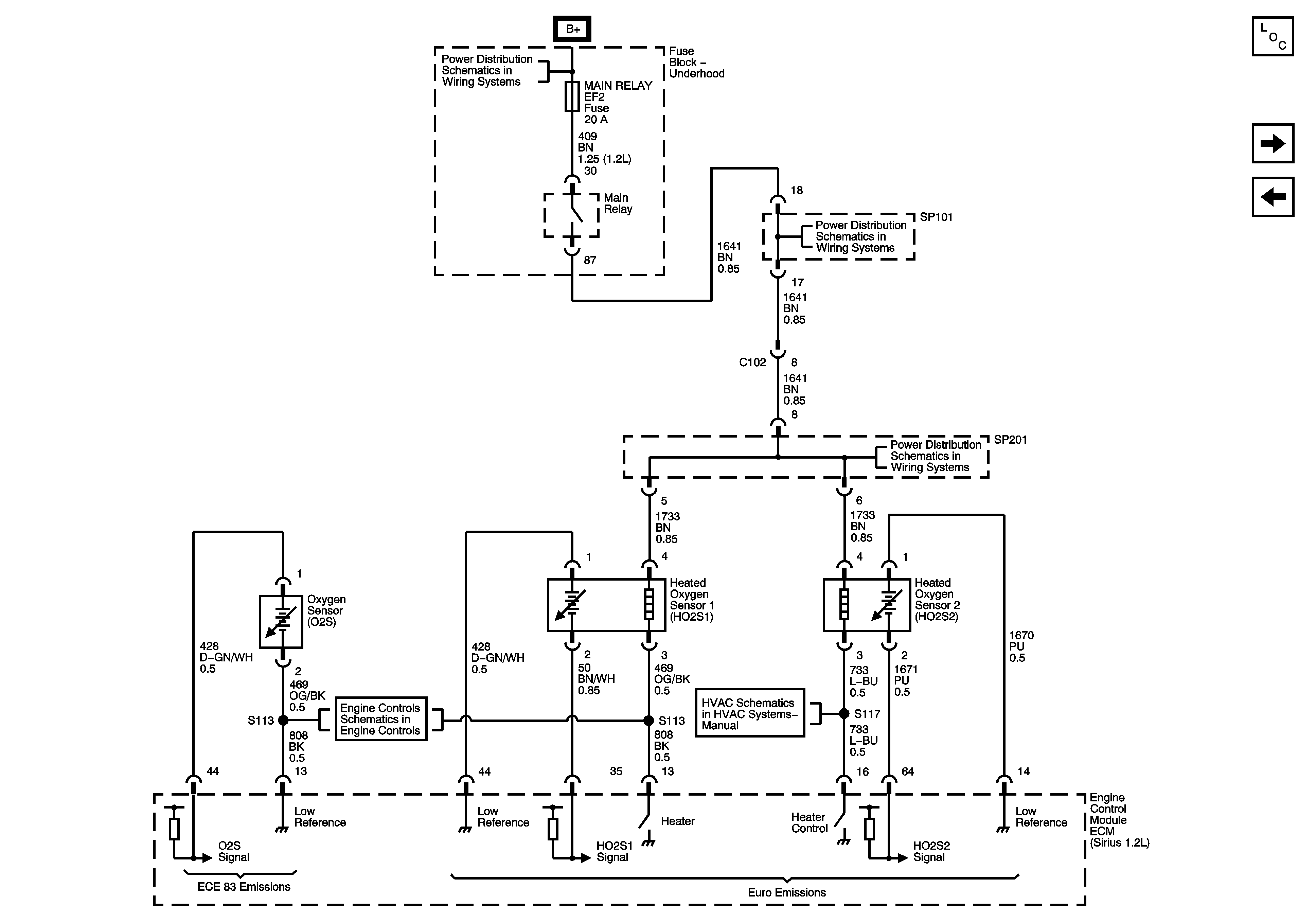
🢒 Engine Data Sensors - Oxygen Sensors
Engine Data Sensors - Oxygen Sensors
Engine Data Sensors - Oxygen Sensors
Master Electrical Component List
Fuel Controls - Fuel Pump Controls, Fuel Injectors
Engine Data Sensors - MTIA
Underhood Fuse Block - Power Window, Cooling Fan Low Relay, Main Relay (1.2L), and Fuel Pump Fuses
Underhood Fuse Block - Power Window, Cooling Fan Low Relay, Main Relay (1.2L), and Fuel Pump Fuses
Underhood Fuse Block - Power Window, Cooling Fan Low Relay, Main Relay (1.2L), and Fuel Pump Fuses
Module Power, Ground, Serial Data and MIL
HVAC Manual - Compressor Controls (Sirius D4)